手機號
未認證執照
漆芳()

普通會員
漆芳 ()
產品規格:
愛普生晶振簡介:
epson愛普生公司成立于1942年5月,總部位于日本長野縣諏訪市,是數碼映像領域的全球領先企業。愛普生集團通過富有創新和創造力的文化,提升企業價值,致力于為客戶提供數碼影像創新技術和解決方案。愛普生拓優科夢是一家專業從事晶體元件的廠商,愛普生拓優科夢()運用長年積累的培育人工石英以及以加工為代表的、實現精微化、高精度、高品質的綜合技術。 愛普生東洋集團研究出的最小體積新產品,滿足了市場要求嚴格等一些小型便攜式的電子產品。愛普生東洋集團的本著一、絕不抄襲別人的東西,要開發唯我獨有的強勢技術,實現世間從無到有的創新;二、屬于自己的創新產品和技術一定要注冊成專利,從而使企業的合法利益獲得保障的原則,令人敬佩。愛普生拓優科夢()將進一步究極用精微加工發揮“石英”材料的優越性能的“qmems”技術,創造出更小、更高性能或全新功能的元器件;同時,融合愛普生集團的半導體與軟件技術增添便于使用、能讓顧客更體驗到利用價值的“解決方案”。通過上述工作,我們將為社會的發展以及實現更舒暢的未來而竭誠奉獻。深圳市瑞泰電子是一家專業代理進口晶振品牌的知名供應商,在行業中,我們擁有絕對的價格優勢。我們的貨源均來自正規渠道。我們擁有世界上最專業的售后服務。瑞泰電子精英隊伍等著您的來電咨詢。
對于smd 產品,標準包裝質量如下表所述。請根據包裝數量進行訂購。
1. 柱面式
柱面式產品用乙烯袋包裝,每批包含250到1000件。
然后,將1到20袋裝入內盒以組成一批。
最后,將內盒放入紙箱以便裝運。(質量隨型號的變化而變化。)
![]() |
2. 耐焊接熱
將dip產品放置抗靜電集成電路管內并裝到盒子里以便進行運送。
![]() |
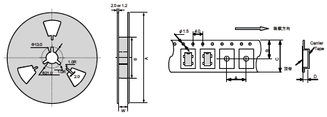
3. smd
將smd 產品包裝在紙箱里以便裝運,如下表所述;符合磁帶標準eia-481 和 iec-60286.
![]() |
產品使用注意事項:![]()
1.抗沖擊·
晶體產品可能會在某些條件下受到損壞。例如從桌上跌落或在貼裝過程中受到沖擊。如果產品已受過沖擊請勿使用。
2.輻射·
暴露于輻射環境會導致產品性能受到損害,因此應避免照射。
3.化學制劑/ ph值環境
請勿在ph值范圍可能導致腐蝕或溶解產品或包裝材料的環境下使用或儲藏這些產品。
4.粘合劑·
請勿使用可能導致產品所用的封裝材料,終端,組件,玻璃材料以及氣相沉積材料等受到腐蝕的膠粘劑。(比如,氯基膠粘劑可能腐蝕一個晶體單元的金屬“蓋”,從而破壞密封質量,降低性能。)
5.鹵化合物
請勿在鹵素氣體環境下使用產品。即使少量的鹵素氣體,比如在空氣中的氯氣內或封裝所用金屬部件內,都可能產生腐蝕。同時,請勿使用任何會釋放出鹵素氣體的樹脂。
6.靜電
過高的靜電可能會損壞產品,請注意抗靜電條件。請為容器和封裝材料選擇導電材料。在處理的時候,請使用電焊槍和無高電壓泄漏的測量電路,并進行接地操作。
7.在設計時·
7-1:機械振動的影響
當晶體產品上存在任何給定沖擊或受到周期性機械振動時,比如:壓電揚聲器,壓電蜂鳴器,以及喇叭等,輸出頻率和幅度會受到影響。這種現象對通信器材通信質量有影響。盡管晶體產品設計可最小化這種機械振動的影響,我們推薦事先檢查并按照下列安裝指南進行操作。
7-2:pcb設計指導
(1)理想情況下,機械蜂鳴器應安裝在一個獨立于晶體器件的pcb板上。如果您安裝在同一個pcb板上,最好使用余量或切割pcb。當應用于pcb板本身或pcb板體內部時,機械振動程度有所不同。建議遵照內部板體特性。
(2)在設計時請參考相應的推薦封裝。
(3)在使用焊料助焊劑時,按jis標準(jis c60068-2-20/iec 60,068-2-20).來使用。
(4)請按jis標準(jis z 3282, pb含量1000ppm, 0.1wt%或更少)來使用無鉛焊料。
8.存儲事項
(1)在更高或更低溫度或高濕度環境下長時間保存晶體產品時,會影響頻率穩定性或焊接性。請在正常溫度和濕度環境下保存這些晶體產品,并在開封后盡可能進行安裝,以免長期儲藏。
正常溫度和濕度:
溫度:+15°c至+35°c,濕度25 % rh至85 % rh(請參閱“測試點jis c 60068-1 /iec 60068-1的標準條件”章節內容)。
(2)請仔細處理內外盒與卷帶。外部壓力會導致卷帶受到損壞。

深圳市瑞泰電子科技有限公司
電話:0755-33270075
傳真:0755-33270075
qq:1360599092
郵箱:ruitairt@
網址:http://
地址:中國廣東深圳市寶安區新湖路輕鐵大廈3樓

| 聯系人 | 需求數量 | 時間 | 描述 |
|---|---|---|---|
| 暫無產品詢價記錄 | |||
| 采購商 | 成交單價(元) | 數量 | 成交時間 |
|---|---|---|---|
| 暫無購買記錄 | |||
地區:三明
主營產品:木荷苗,楓香苗,油茶苗地區:成都
主營產品:電磁閥,氣缸,過濾器地區:武漢
主營產品:洪山公司注冊,洪山注冊公司,洪山代理記賬地區:武漢
主營產品:東西湖公司注冊,東西湖代理記賬,東西湖代賬公司