手機號
未認證執照
蓋衛軍(先生)

普通會員
蓋衛軍 (先生)
產品簡介:
華網智能三光譜夜視儀系列產品采用高靈敏度紅外探測器、紅外鏡頭、可見光鏡頭、高清攝像機、激光器、球形光電轉臺,利用最先進的非制冷紅外技術和光學成像技術,通過科學、先進的技術手段集合而成,可見光部分白天可顯示高清彩色圖像,夜間激光補光黑白成像,紅外熱成像可提供輪廓鮮明和清晰的熱圖像,實現24小時晝夜連續監控。
hw-jrzt-100d320型球形光電轉臺專為遠程晝夜連續監控領域設計,可實現2-4km作用距離,兼顧搜索與觀察雙重應用需求。本產品在森林防火、海水養殖、邊海防、油田、港口、鐵路、機場等項目中得到廣泛應用。
產品特點:
1、三光譜成像設計,融合了可見光高清成像、激光遠距離夜視和熱成像儀探測距離遠范圍廣等優點;
2、激光同步變焦照明系統,激光角度自動適應攝像視場角;
3、國際領先的brp激光勻化技術,可在0lux全黑環境下實現高清監控;
4、超低照度百萬高清攝像機,白天彩色,夜間轉黑白,可實現晝夜連續監控;
5、獨立光敏控制系統,保證激光開關與攝像機彩轉黑精確同步;
6、可選透霧功能,光學透霧與電子透霧技術相結合,展示完美透霧效果;
7、采用國際先進的非制冷氧化釩(vox)微測熱輻射計紅外探測器;
8、17μm像元間距,畫質細膩,對細微目標觀察更清晰,探測距離更遠;
9、探測靈敏度小于50mk,可獲得更細膩畫面質量,受霧雨雪天氣影響小;
10、利用第二代數字細節增強技術(dde)、動態對比增強技術(ace)、自動增益控制(agc)、智能場景優化技術(sso)等先進技術改善圖像處理效果;
11、flir tau2系列640、336、324分辨率多種選擇,滿足不同客戶需求;
12、固定焦距、視場切換、連續變焦鏡頭可選,電動調焦獲取更清晰的夜視圖像;
13、惡劣天氣適應性強,利用遠紅外特性,即使全黑、雨、雪、霧、煙塵環境都可以有效成像;
14、超強鋁合金外殼,一體化球形設計,ip66防護,抗強風、防淋雨、防灰塵,可適應各種惡劣環境。
技術參數:
產品型號hw-jrzt-100d320作用距離熱成像探測距離:對車4000m,對人2000m可見光夜視1000米,白晝2000米紅外鏡頭焦距100mmf值1.0-1.2視場角3.3°×2.5°鏡頭控制電動調焦探測器探測器類型非制冷氧化釩(vox)微測熱輻射計像素 336 × 256 (可選640 × 512)像元間距17μ幀頻25 hz波長范圍7.5 - 13.5 μm靈敏度nedt<50mk f/1.0成像時間≤5s極性熱白/熱黑/偽彩等十二種顯示高清鏡頭焦距(f)8-320mm 高清,透霧,ir,帶預置位變倍40x光圈(f)2.0-360視場角51.2°*41.7°*31.8°-1.37°*1.11°*0.84°攝像機傳感器1/1.8" progressive scan cmos最小照度彩色:0.002 lux @(f1.2,agc on)
黑白:0.0002lux @(f1.2,agc on)視頻分辨率1080p,支持三碼流透霧支持防抖支持激光
照明器功率10w波長808nm照度角度30—0.2°開關方式光敏電阻控制球形
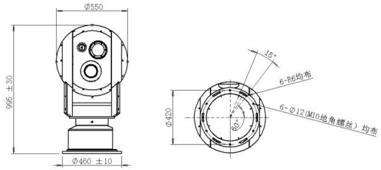
光電轉臺結構一體化球形設計角度水平0~360°連續旋轉;俯仰+45°~-45°速度水平0.01°~45°/s;俯仰0.01°~15°/s預置位80個預置位協議pelco-d、pelco-p等多協議電源ac220vdc48v接口1路rj45;1路電源環境指標防護等級ip66工作溫度-40℃~+65℃儲存溫度-40℃~+70℃
效果展示:

產品圖片:

| 聯系人 | 需求數量 | 時間 | 描述 |
|---|---|---|---|
| 暫無產品詢價記錄 | |||
| 采購商 | 成交單價(元) | 數量 | 成交時間 |
|---|---|---|---|
| 暫無購買記錄 | |||
地區:滄州
主營產品:機床維修,鑄件,工量具地區:三明
主營產品:木荷苗,楓香苗,油茶苗地區:成都
主營產品:電磁閥,氣缸,過濾器地區:武漢
主營產品:洪山公司注冊,洪山注冊公司,洪山代理記賬