手機號
未認證執照
李季(先生)

普通會員
李季 (先生)
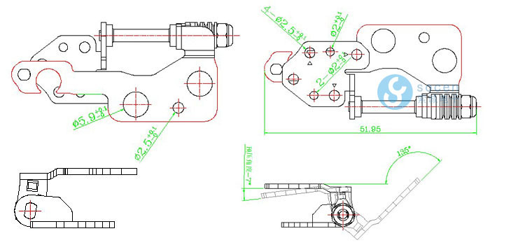
筆記本電腦五金翻蓋轉軸制造商 sc-606-6
筆記本電腦五金翻蓋轉軸技術要求:
1.扭力動態值:4.5±0.3kgf.cm
2.壽命測試:20000次,衰減±15%以內,
測試角度10-130°
3.產品預壓角-7±2°,限位角度135°±3°,
出貨角度135°±3°
4.材質及表面處理需符合rohs要求
5.帶 號尺寸為重點管制尺寸

| 聯系人 | 需求數量 | 時間 | 描述 |
|---|---|---|---|
| 暫無產品詢價記錄 | |||
| 采購商 | 成交單價(元) | 數量 | 成交時間 |
|---|---|---|---|
| 暫無購買記錄 | |||
地區:成都
主營產品:電磁閥,氣缸,過濾器地區:武漢
主營產品:武昌公司注冊,武昌注冊公司,武昌代理記賬地區:北京
主營產品:低壓聚乙烯,高壓聚乙烯,聚丙烯地區:武漢
主營產品:洪山公司注冊,洪山注冊公司,洪山代理記賬