手機號
未認證執照
李季(先生)

普通會員
李季 (先生)
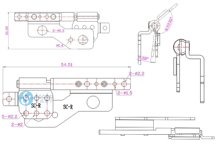
筆記本電腦屏幕五金轉軸加工廠 sc-607-5
筆記本電腦屏幕五金轉軸技術要求:
1.產品扭力要求:4.5±0.3kgf-cm(大扭力方向)
2.旋轉角度:旋轉-8~140度,-8度自鎖,出貨角度-8度
3.產品壽命要求20000次,衰減率不大于20%
4.鋅合金外觀不能有刮傷,碰傷,缺料,烤漆脫落等不良現象
5.鋅合金需與轉軸固定牢固,不能松脫現象
6.所有加工工藝都需符合環保要求
7.帶 號尺寸為重點管制

| 聯系人 | 需求數量 | 時間 | 描述 |
|---|---|---|---|
| 暫無產品詢價記錄 | |||
| 采購商 | 成交單價(元) | 數量 | 成交時間 |
|---|---|---|---|
| 暫無購買記錄 | |||
地區:滄州
主營產品:機床維修,鑄件,工量具地區:汕頭
主營產品:物流公司,貨運站,國內陸運地區:武漢
主營產品:武昌公司注冊,武昌注冊公司,武昌代理記賬地區:北京
主營產品:低壓聚乙烯,高壓聚乙烯,聚丙烯