瀏覽:312次[供應]海南專業銷售筆記本轉軸研發商 sc-278-5 堅固穩定
-

-
價格說明:以上商品為參考價格,并非原價,該價格可能隨著您購買數量不同或所選規格不同而發生變化。由于萬通商務網不提供線上交易,最終成交價格,請咨詢賣家,以實際成交價格為準。
推廣
相關產品
第 11 年普通會員
-
0級
- 主營:
電子制品,五金制品,沖壓件
- 會員類型:
- 認證信息:
工商執照未認證
- 聯系人:
- 咨詢商家:
- 聯系方式:
- 地址:
廣東東莞東莞茶山塘角霞坑工業第三棟
店內商品搜索
新上架產品
品牌詞
海南專業銷售筆記本轉軸研發商 sc-278-5 堅固穩定
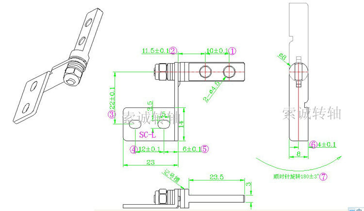
海南筆記本轉軸技術要求:
1.產品扭力為12±0.5kgf-cm
2.產品旋轉角度為0~180°±3°
出貨角度為0度
3.壽命測試5000次,衰減率不大于20%
4.所有加工工藝需符合環保要求
以上是東莞市索誠電子有限公司廠家直供海南專業銷售筆記本轉軸研發商 sc-278-5 堅固穩定的詳細信息,如果您東莞市索誠電子有限公司廠家直供海南專業銷售筆記本轉軸研發商 sc-278-5 堅固穩定的價格、廠家、型號、圖片有什么疑問, 請 聯系供應商 或 請供應商聯系我
關于供應商信息

東莞市索誠電子有限公司是以一家專業從事多功能阻尼轉軸研發制造的高科技企業。
公司成立于1998年,坐落于廣東省東莞市茶山鎮,占地面積6000平方米,員工400多人,擁有一支高素質的專業技術人才和管理隊伍,已通過ISO9001:2008質量管理體系認證。公司實現了從產品設計、模具制作、鈑金沖壓成型、車床加工、成品組裝的一條龍生產模式。公司自主研發的一字、阻尼、底座和支架等轉軸,已經獲得多項國家技術...
| 采購商 |
成交單價(元) |
數量 |
成交時間 |
| 暫無購買記錄 |
同行還在看
鄭重提示:您在萬通商務網上采購商品屬于商業貿易行為。以上所展示的信息由賣家自行提供,內容的真實性、準確性和合法性由發布商家負責,請意識到互聯網交易中的風險是客觀存在的。推薦使用擔保交易保障服務或使用第三方擔保交易比如支付寶!

點擊頭像與我聊天