手機號
未認證執照
周文偉(先生)

普通會員
周文偉 (先生)
德國ksb
boa-cs軟密封截止閥boa-supercompact適用于:熱水采暖系統高達120℃。空調系統。不適合含有礦物油,蒸汽或液體可被攻擊epdm和鑄鐵的液體。其他液體的請求。

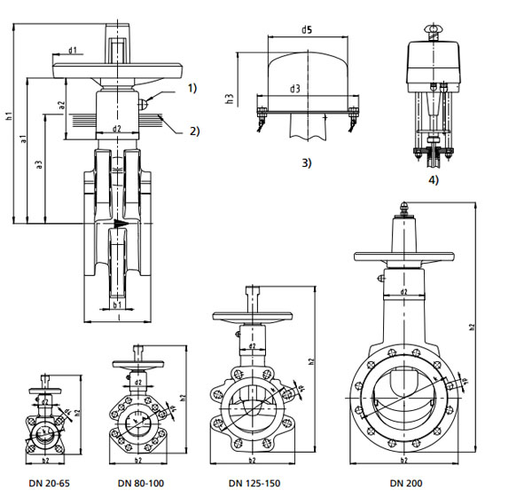
結構尺寸:


技術數據:
執行器可供選擇出廠價電動執行器類型
機身設計平均體肋骨
尺寸標準en94-558
手輪movememt非上升
閥盤/插頭材料軟閥座
螺紋式設計,圓片式設計
閥桿密封檔案合資
閥體材料(歐洲標準)jl1040
dn最大:200
dn最小:20
eclass分配37010201
主要應用工業工程與工藝;建筑服務
閥體材質鑄鐵
pn最大。 16
最高使用溫度120℃
最低氣溫10℃,
閥體/閥蓋密封件無(單件體)
設計:
在超緊湊的臉對臉的長度,傾斜的座位,閥蓋,與定心法蘭定位孔,窮途末路的服務和下游拆解晶片式截止閥,具有防凝露功能作為標準絕緣帽,位置指示,行程限位器,軟主要與后座;免維護,全絕緣可能。

| 聯系人 | 需求數量 | 時間 | 描述 |
|---|---|---|---|
| 暫無產品詢價記錄 | |||
| 采購商 | 成交單價(元) | 數量 | 成交時間 |
|---|---|---|---|
| 暫無購買記錄 | |||
地區:成都
主營產品:電磁閥,氣缸,過濾器地區:武漢
主營產品:武昌公司注冊,武昌注冊公司,武昌代理記賬地區:北京
主營產品:低壓聚乙烯,高壓聚乙烯,聚丙烯地區:武漢
主營產品:洪山公司注冊,洪山注冊公司,洪山代理記賬