手機號
未認證執照
許存寧(女士)

普通會員
許存寧 (女士)
whzy-2*5-4直線自振源/雙胞胎電機/連體電機 whzy-2*8-4直線自振源/雙胞胎電機/連體電機
whzy-2*17-4直線自振源/雙胞胎電機/連體電機 whzy-2*20-4直線自振源/雙胞胎電機/連體電機
whzy-2*30-4直線自振源/雙胞胎電機/連體電機 whzy-2*8-6直線自振源/雙胞胎電機/連體電機
whzy-2*12-6直線自振源/雙胞胎電機/連體電機 whzy-2*20-6直線自振源/雙胞胎電機/連體電機
河南共威機械設備有限公司的優勢:
1、60年生產經驗,原是國營新鄉威猛振動設備總廠,最早的振動設備專業制造企業;
2、企業注冊資金1050萬人民幣;
3、通過國際質量體系認證;
4、國內首家采用大型激光切割機領先技術,實力廠家,品質保障;
5、擁有過硬的產品質量,專業精煉的售前售后服務團隊;

直線自振源又叫:雙胞胎振動電機、連體振動電機
采用直線自振源(雙胞胎電機、連體電機)比采用單體的振動電機的優勢在哪里?
受力方向的不同:振動電機安裝在設備上是與地面垂直的,偏心塊的受重力較大。
直線自振源安裝在設備上時是與地面平行的,偏心塊受重力較小。
直線自振源優點:節約安裝空間。
直線自振源是 河南共威機械設備有限公司(原新鄉威猛冶金設備有限公司)開發研制的新型國家專利產品 ,經過幾十年的現場應用,得到了新老客戶的一致好評。產品技術成熟,質量過硬。是振動機械行業設備首選的振動源。
直線自振源(連體振動電機、雙胞胎振動電機)有4極的連體振動電機也有6極的連體振動電機,4極電機一般應用于給料機上或者小型振動篩、高頻振動篩上面,6極電機一般應用于振動篩上面。是非常好的理想振動源。安裝方便,空間占用位置小。直線自振源的安裝方向是平行于地面的,所以偏心塊在甩動的時候所受的重力小,使用效果更優于其它振動源。
直線自振源有兩種系列:whzy系列直線自振源、wlzd系列直線自振源
一、wlzd/whzy直線自振源的產品簡介:
直線自振源(連體振動電機、雙胞胎振動電機)是我公司開發研制的新型國家專利產品,該產品是在振動電機基礎上發展的一種新結構原理振源,由兩個同步反相電機分別帶動兩個偏心質量塊旋轉,使得被激振物體作直線運動具有性能可靠、占用空間小、維護簡單、使用壽命長等優點,是中小型號振動設備的理想振動源.
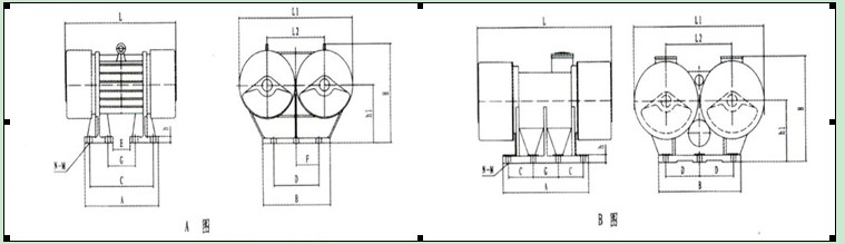
二、wlzd/whzy直線自振源的結構示意圖:

三、whzy直線自振源技術參數表:
|
|
激振力 |
功率kw |
電流a |
圖號 |
主要結構尺寸(mm) |
重量 |
|||||||||||||
|
l |
l1 |
l2 |
h |
a |
b |
c |
d |
e |
f |
g |
h |
h1 |
n-m |
||||||
|
whzy-2*5-4 |
2*5 |
2*0.4 |
2*1.15 |
a |
340 |
390 |
190 |
280 |
182 |
240 |
104 |
180 |
54 |
|
|
25 |
175 |
4-20 |
64 |
|
whzy-2*8-4 |
2*8 |
2*0.75 |
2*1.84 |
a |
380 |
390 |
190 |
280 |
200 |
240 |
119 |
180 |
70 |
|
|
25 |
175 |
4-20 |
80 |
|
whzy-2*17-4 |
2*17 |
2*1.5 |
2.2.7 |
a |
460 |
430 |
220 |
290 |
237 |
240 |
159 |
180 |
110 |
|
|
25 |
180 |
4-22 |
115 |
|
whzy-2*20-4 |
2*20 |
2*2 |
2*4.1 |
a |
490 |
524 |
285 |
355 |
366 |
310 |
316 |
235 |
195 |
|
|
26 |
205 |
4-28 |
184 |
|
whzy-2*30-4 |
2*30 |
2*2.5 |
2*5.75 |
a |
490 |
524 |
285 |
355 |
366 |
310 |
316 |
235 |
195 |
|
|
26 |
205 |
4-28 |
194 |
|
whzy-2*8-6 |
2*8 |
2*0.75 |
2*1.84 |
a |
440 |
430 |
220 |
285 |
211 |
240 |
131 |
180 |
83 |
|
|
25 |
180 |
4-22 |
120 |
|
whzy-2*12-6 |
2*12 |
2*1.0 |
2*2.1 |
a |
630 |
430 |
220 |
285 |
231 |
240 |
159 |
180 |
103 |
|
|
25 |
180 |
4-22 |
140 |
|
whzy-2*20-6 |
2*20 |
2*2.0 |
2*4.1 |
a |
451 |
556 |
306 |
405 |
372 |
300 |
306 |
230 |
150 |
|
|
30 |
265 |
4-26 |
210 |
|
whzy-2*30-6 |
2*30 |
2*2.5 |
2*5.75 |
a |
490 |
556 |
306 |
405 |
372 |
300 |
306 |
230 |
150 |
|
|
30 |
265 |
4-26 |
242 |
|
wbzy-2*30-6 |
2*30 |
2*2.5 |
2*5.75 |
b |
603 |
595 |
300 |
380 |
366 |
400 |
153 |
330 |
|
|
153 |
33 |
230 |
6-23 |
320 |
|
whzy-2*50-6 |
2*50 |
2*3.7 |
2*9.5 |
a |
695 |
656 |
340 |
450 |
505 |
400 |
451 |
268 |
173 |
|
|
30 |
285 |
8-32 |
450 |
|
whzy-2*50-6a |
2*50 |
2*3.7 |
2*7.4 |
a |
625 |
656 |
340 |
450 |
435 |
400 |
375 |
268 |
103 |
|
161 |
30 |
285 |
8-32 |
394 |
|
whzy-2*75-6 |
2*75 |
2*5.5 |
2*11 |
b |
794 |
772 |
393 |
520 |
510 |
490 |
446 |
404 |
|
|
|
35 |
300 |
10-32 |
640 |
|
wbzy-2*75-6 |
2*75 |
2*5.5 |
2*11 |
b |
794 |
772 |
393 |
520 |
510 |
490 |
446 |
404 |
|
|
|
35 |
300 |
10-32 |
640 |
我公司可以根據客戶要求設計制作不同地腳、不同激振力、不同轉速速的振動源。
四、wlzd系列直線自振源技術參數表:
|
型號 |
激振力 |
功率kw |
電流a |
圖號 |
主要結構尺寸(mm) |
重量 |
|||||||||||||
|
l |
l1 |
l2 |
h |
a |
b |
c |
d |
e |
f |
g |
h |
h1 |
n-m |
||||||
|
wlzd-2*5-4 |
2*5 |
2*0.4 |
2*1.15 |
a |
340 |
420 |
210 |
280 |
240 |
220 |
190 |
160 |
150 |
|
|
18 |
148 |
4-18 |
56 |
|
wlzd-2*8-4 |
2*8 |
2*0.75 |
2*1.84 |
a |
409 |
531 |
255 |
341 |
320 |
310 |
240 |
240 |
160 |
120 |
|
24 |
185 |
6-28 |
133 |
|
wlzd-2*17-4 |
2*17 |
2*1.5 |
2*2.7 |
a |
440 |
530 |
260 |
370 |
326 |
300 |
256 |
184 |
166 |
92 |
|
30 |
210 |
6-28 |
160 |
|
wlzd-2*30-6 |
2*30 |
2*2.5 |
2*5.75 |
a |
600 |
650 |
320 |
435 |
446 |
380 |
356 |
260 |
248 |
130 |
|
35 |
235 |
6-28 |
345 |
我公司可以根據客戶要求設計制作不同地腳、不同激振力、不同轉速速的振動源。
生產廠家:河南共威機械設備有限公司(原新鄉威猛冶金設備有限公司)
聯系人:許經理
聯系方式:15893868089
聯系qq:1417384190
公司地址:河南省新鄉縣小冀鎮振興路10號
whzy-2*30-6直線自振源/雙胞胎電機/連體電機 wbzy-2*30-6直線自振源/雙胞胎電機/連體電機
whzy-2*50-6直線自振源/雙胞胎電機/連體電機 whzy-2*50-6a直線自振源/雙胞胎電機/連體電機
whzy-2*75-6直線自振源/雙胞胎電機/連體電機 wbzy-2*75-6直線自振源/雙胞胎電機/連體電機

| 聯系人 | 需求數量 | 時間 | 描述 |
|---|---|---|---|
| 暫無產品詢價記錄 | |||
| 采購商 | 成交單價(元) | 數量 | 成交時間 |
|---|---|---|---|
| 暫無購買記錄 | |||
地區:成都
主營產品:電磁閥,氣缸,過濾器地區:武漢
主營產品:武昌公司注冊,武昌注冊公司,武昌代理記賬地區:北京
主營產品:低壓聚乙烯,高壓聚乙烯,聚丙烯地區:武漢
主營產品:洪山公司注冊,洪山注冊公司,洪山代理記賬