瀏覽:142次[供應]上海GU型高真空(壓力)球閥
-

-
- 上海吉邁閥門制造有限公司
- 信息編號:bh4113770160179
- 更新時間:2015/1/12 10:42:55
- 規格:GU型高真空(壓力)球閥
- 數量:8888
- 價格:1

-
GU型高真空(壓
價格說明:以上商品為參考價格,并非原價,該價格可能隨著您購買數量不同或所選規格不同而發生變化。由于萬通商務網不提供線上交易,最終成交價格,請咨詢賣家,以實際成交價格為準。
推廣
相關產品
第 13 年普通會員
-
0級
- 主營:
水用減壓閥,天然氣減壓閥,蒸汽減壓閥
- 會員類型:
- 認證信息:
工商執照未認證
- 聯系人:
- 咨詢商家:
- 聯系方式:
- 地址:
上海上海上海市浦東新區泥城鎮新城路2號
店內商品搜索
新上架產品
品牌詞
gu型高真空(壓力)球閥
專業生產gu型高真空(壓力)球閥價格低,型號全
|
|
■
|
上海吉邁閥門制造有限公司主要生產≦gu型高真空(壓力)球閥≧也是國內真空閥門生產商之一。公司經營范圍:閥門,管件,流體設備的生產,加工,銷售,管道配件,建筑材料,五金交電,自控設備的銷售,從事貨物及技術的進出口業務!歡迎新老客戶來電,來函,我們將竭誠為您提供滿意的服務!
gu型-高真空(壓力)球閥
|
|
|
■ |
gu型高真空(壓力)球閥http:// /valve_product_205.html 用于接通或切斷真空(壓力)系統管路中的介質流。應用于真空、乳制品、酒業、生物工程、食品、制藥、飲料、化妝品及化工領域。 |
|
|
| ■ |
gu
high vacuum(pressure)ball valve |
|
|
■ |
gu high vacuum(pressure)ball valve is used to put through【敏感詞】cut off the medium flow in vacuum(pressure)pipeline in the areas of vacuum, dairy products, breweries, biological engineering, foodstuff, pharmaceuticals, drinks, cosmetics【敏感詞】chemicals. |
|
|
| ■ |
主要技術性能
main technical performance |
|
|
■
■
■ |
| 閥門漏率:valve leak rate |
≤1.3×10-4pa.l/s. |
| 適用溫度:applicable temperature |
-30~+150℃
-30~+150℃(ppl密封) |
| 適用范圍:appy range |
|
| 連接型式 loose flange |
使用壓力范圍(pa) |
| 活套法蘭(gb6070、jb919) |
0.6×106~1.3×10-4 |
| 焊接法蘭(gb6070、jb919) |
1.6×106~1.3×10-4 |
| 快卸法蘭(gb4982) |
0.1×106~1.3×10-4 |
| 螺紋連接 threaded connection |
1.6×106~1.3×10-4 |
|
|
|
| ■ |
主要零件材料
materials of main parts |
|
|
■
■ |
閥體、閥蓋、閥桿:不銹鋼
密封件:四氟乙烯、丁腈橡膠、氟橡膠、ppl。
body, disc【敏感詞】stem: stainless steel.
sealing element: ptfe, nbr, viton, ppl. |
|
|
| construction fights (mm) |
|
| ■ |
外形及連接尺寸(mm)(jb919)
overall【敏感詞】connection dimensions(mm) |
|
|
|
| ■ |
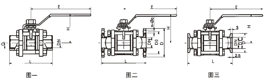
螺紋連接的外形及連接尺寸(圖一) |
|
model
型號
|
dn
|
g
|
h
|
e
|
l
|
gu-10(g)
|
10
|
1/4"
|
52
|
105
|
68
|
gu-16(g)
|
16
|
1/2"
|
64
|
130
|
72
|
gu-20(g)
|
20
|
3/4"
|
67
|
130
|
82
|
gu-25(g)
|
25
|
1"
|
83
|
165
|
90
|
gu-32(g)
|
32
|
1-1/4"
|
89
|
165
|
112
|
gu-40(g)
|
40
|
1-1/2"
|
100
|
190
|
120
|
gu-50(g)
|
50
|
2"
|
125
|
190
|
145
|
gu-63(g)
|
63
|
2-1/2"
|
150
|
250
|
185
|
gu-80(g)
|
80
|
3"
|
161
|
250
|
210
|
gu-100(g)
|
100
|
4"
|
180
|
280
|
268
|
|
|
| ■ |
活套法蘭連接(gb6070)(圖二) |
|
model
型號
|
dn
|
d
|
do
|
h
|
e
|
l
|
n-φc
|
gu-10(f)
|
10
|
55
|
40
|
52
|
105
|
84
|
4-φ6.6
|
gu-16(f)
|
16
|
60
|
45
|
64
|
130
|
84
|
4-φ6.6
|
gu-25(f)
|
25
|
70
|
55
|
83
|
165
|
114
|
4-φ6.6
|
gu-32(f)
|
32
|
90
|
70
|
89
|
165
|
140
|
4-φ9
|
gu-40(f)
|
40
|
100
|
80
|
100
|
190
|
160
|
4-φ9
|
gu-50(f)
|
50
|
110
|
90
|
125
|
190
|
170
|
4-φ9
|
gu-63(f)
|
63
|
130
|
110
|
150
|
250
|
195
|
4-φ9
|
gu-80(f)
|
80
|
145
|
125
|
161
|
250
|
220
|
8-φ9
|
gu-100(f)
|
100
|
165
|
145
|
180
|
280
|
280
|
8-φ9
|
|
|
| ■ |
快卸法蘭連接(gb4982)(圖三) |
|
model
型號
|
dn
|
d1
|
d
|
h
|
e
|
l
|
gu-10(kf)
|
10
|
12.2
|
30
|
52
|
105
|
84
|
gu-16(kf)
|
16
|
17.2
|
30
|
64
|
130
|
84
|
gu-25(kf)
|
25
|
26.2
|
40
|
83
|
165
|
114
|
gu-32(kf)
|
32
|
34.2
|
55
|
89
|
165
|
140
|
gu-40(kf)
|
40
|
41.2
|
55
|
100
|
190
|
160
|
gu-50(kf)
|
50
|
52.2
|
75
|
125
|
190
|
170
|
|
|
訂貨提供產品參數:gu型高真空(壓力)球閥
①產品使用介質
②產品工作溫度
③產品連接方式
④產品使用壓力
⑤產品是否帶附件以便我們選型報價
⑥若已經由設計單位選定產品型號,請按產品型號直接向我司銷售部訂購。
⑦當使用的場合非常重要或環境比較復雜時,請您盡量提供設計圖紙和詳細參數,由我們上海吉邁閥門專家為您審核把關。
|
以上是上海吉邁閥門制造有限公司廠家直供上海GU型高真空(壓力)球閥的詳細信息,如果您上海吉邁閥門制造有限公司廠家直供上海GU型高真空(壓力)球閥的價格、廠家、型號、圖片有什么疑問, 請 聯系供應商 或 請供應商聯系我
關于供應商信息

上海吉邁閥門制造有限公司主要經營范圍:閥門,管件,流體設備的生產,加工,銷售,管道配件,建筑材料,五金交電,自控設備的銷售,從事貨物及技術的進出口業務!歡迎新老客戶來電,來函,我們將竭誠為您提供滿意的服務!本公司主導產品包括:調節閥及附件、氣動閥門、電動閥門、真空閥門、通用閥門、美標閥門、德標閥門、日標閥門以及進口閥門等。如:氣動調節閥、氣動球閥、氣動蝶閥、電動調節閥、電動球閥、電動蝶閥、減壓閥、...
| 采購商 |
成交單價(元) |
數量 |
成交時間 |
| 暫無購買記錄 |
同行還在看
鄭重提示:您在萬通商務網上采購商品屬于商業貿易行為。以上所展示的信息由賣家自行提供,內容的真實性、準確性和合法性由發布商家負責,請意識到互聯網交易中的風險是客觀存在的。推薦使用擔保交易保障服務或使用第三方擔保交易比如支付寶!

點擊頭像與我聊天