手機號
未認證執照
李小姐(女士)

普通會員
李小姐 (女士)



| 序號 | 類別 | 規格 |
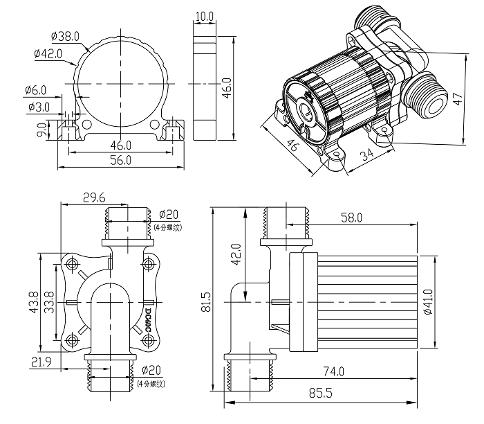
| 1 | 泵體尺寸及重量 | 88.5mm*81.5mm*43.8mm; 235g |
| 2 | 安裝尺寸 | 88.5mm*81.5mm*56mm; |
| 2 | 水泵出水口外徑 | 4分外螺紋(m20mm) |
| 3 | 水泵進水口外徑 | 4分外螺紋(m20mm) |
| 4 | 驅動方式 | 無刷,磁力隔離 |
| 5 | 水泵殼體材料 | pes/sps/pps/pa66+30%gf (可選配) |
| 6 | 使用方式 | 連續使用 |
| 7 | 使用介質 | 水,油,以及其他酸堿溶液 |
| 8 | 最大工作溫度 | 60℃ |
| 9 | 功耗 | 2.5w~28.8w |
| 10 | 額定電壓 | 12vdc或 24vdc |
| 11 | 使用電壓 | 5vdc ~ 12vdc 或5vdc ~ 24vdc |
| 12 | 最大負載電流 | 1.2a |
| 13 | 最大流量 | 15l/min |
| 14 | 最大靜態揚程 | 6m |
| 15 | 噪音 | <40db |
| 16 | 防水等級 | ip68(可潛水安裝) |
| 17 | 壽命 | 大于30000小時 |
| 18 | 供電方式 | 太陽能板,蓄電池,適配器,電源模塊 |
| 19 | 保護功能 | 可選配缺水保護、空轉保護、堵轉保護、卡死保護 |
| 20 | 調速功能(調功率) | 可選配pwm調速,0~5v模擬信號調速,電位器調速 |

| 型號 | 電壓 | 最大負載電流 | 最大揚程 | 開口流量 | 最大功耗 |
| v (dc) | a | m | l/h | w | |
| dc40c-1230 | 12 | 0.90 | 3.0 | 620 | 10.8 |
| dc40c-1240 | 12 | 1.2 | 4.0 | 720 | 14.4 |
| dc40c-1850 | 18 | 1.20 | 5.0 | 780 | 21.6 |
| dc40c-2450 | 24 | 0.90 | 5.0 | 780 | 21.6 |
| dc40c-2460 | 24 | 1.20 | 6.0 | 900 | 28.8 |
| 選型注意事項 | 選型時務必給出使用環境:例如連續工作時間、水溫、介質等,水泵功率超過24w的就不適合長期在60度以上水溫連續工作,請務必與專業人員溝通以便選擇最合適的型號! 上述電流為水泵的開口電流即當水泵直接放入水中不接任何系統時的電流,也為水泵最大電流,當水泵接上系統之后水泵的工作電流會降低到最大負載電流的70%-85%。 水泵的揚程為最大送水高度,即到達最大揚程點的流量為零。 水泵的流量為水平流量,即水平抽水的流量。 | ||||


| 型號 | 電壓(dc) | 電流范圍 | 最大揚程 | 最大流量 | 進水口徑 | 出水口徑 | 調速 | 空轉/卡死保護 |
| dc30a | 5~12v | 0.1~0.35a | 3m | 4l/min | 8mm | 8mm | 定做 | 選配 |
| dc40 | 6~24v | 0.15~1.2a | 8m | 11l/min | 14mm | 10mm | pwm/0~5v/手動 | 選配 |
| dc40a | 6~24v | 0.15~1.2a | 6m | 14l/min | 14mm | 14mm | pwm/0~5v/手動 | 選配 |
| dc40c | 6~24v | 0.15~1.2a | 6m | 15l/min | 4分螺紋 | 4分螺紋 | pwm/0~5v/手動 | 選配 |
| dc40f | 6~24v | 0.15~1.2a | 6m | 16l/min | 4分螺紋 | 4分螺紋 | pwm/0~5v/手動 | 選配 |
| dc40h | 6~24v | 0.15~1.2a | 11m | 7.5l/min | 11mm | 8mm | pwm/0~5v/手動 | 選配 |
| dc50 | 6~24v | 0.15~3.8a | 7m | 44l/min | 22mm | 22mm | pwm/0~5v/手動 | 選配 |
| dc50a | 6~24v | 0.15~3.8a | 5m | 60l/min | 27mm | 27mm | pwm/0~5v/手動 | 選配 |
| dc50b | 6~24v | 0.15~3.8a | 13m | 30l/min | 22mm | 22mm | pwm/0~5v/手動 | 選配 |
| dc50c | 6~24v | 0.15~3.8a | 6.5m | 42l/min | 4分螺紋 | 4分螺紋 | pwm/0~5v/手動 | 選配 |
| dc50d | 6~24v | 0.15~3.8a | 6.5m | 42l/min | 20mm | 20mm | pwm/0~5v/手動 | 選配 |
| dc50e | 6~24v | 0.15~3.8a | 15m | 25l/min | 4分螺紋 | 4分螺紋 | pwm/0~5v/手動 | 選配 |
| dc50f | 6~24v | 0.15~3.8a | 15m | 25l/min | 4分螺紋 | 4分螺紋 | pwm/0~5v/手動 | 選配 |
| dc50g | 6~24v | 0.15~3.8a | 8m | 45l/min | 14mm | 8mm | pwm/0~5v/手動 | 選配 |
| dc50k | 6~24v | 0.15~3.8a | 15m | 25l/min | 14mm | 14mm | pwm/0~5v/手動 | 選配 |
| dc50w | 24v | 1~3.8a | 造浪 | 28000l/h | 潛水 | 58mm | 變頻調速控制 | 選配 |
| dc50q | 24v | 1~3.8a | 5m | 5000 l/h | 1寸螺紋 | 1寸螺紋 | 變頻調速控制 | 選配 |
| dc60q | 24v | 1~5a | 5m | 10000l/h | 1寸螺紋 | 1寸螺紋 | 變頻調速控制 | 選配 |
| 備注: 1、揚程流量范圍內的都可以定制。 2、進出水口尺寸,連接方式可開模定制。 3、調速方式可以定制,可定制控制系統,也可根據系統定制水泵。 4、工作溫度常規60度以內,可以定做100度的,詳情請查看相關系列具體信息。 5、可定做食品級水泵。 6、可定做靜音水泵。 |
||||||||

| 聯系人 | 需求數量 | 時間 | 描述 |
|---|---|---|---|
| 暫無產品詢價記錄 | |||
| 采購商 | 成交單價(元) | 數量 | 成交時間 |
|---|---|---|---|
| 暫無購買記錄 | |||
地區:三明
主營產品:木荷苗,楓香苗,油茶苗地區:成都
主營產品:電磁閥,氣缸,過濾器地區:武漢
主營產品:洪山公司注冊,洪山注冊公司,洪山代理記賬地區:武漢
主營產品:東西湖公司注冊,東西湖代理記賬,東西湖代賬公司