dc50e系列
外觀圖



t系列(兩相) s系列(三相) a系列(三相)
參數規格
| 序號 |
類別 |
規格 |
| 1 |
泵體尺寸及重量 |
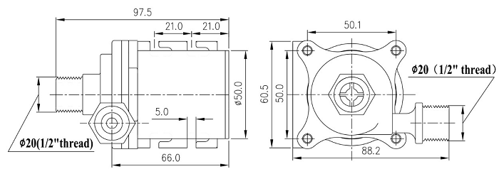
94.1mmx99mmx60.5mm;480g |
| 2 |
水泵出水口外徑 |
4分螺紋 (20mm) |
| 3 |
水泵進水口外徑 |
4分螺紋 (20mm) |
| 4 |
驅動方式 |
無刷,磁力隔離 |
| 5 |
水泵殼體材料 |
pes/sps/pps/pa66+30%gf (可選配) |
| 6 |
使用方式 |
連續使用 |
| 7 |
使用介質 |
水,油,以及其他酸堿溶液 |
| 8 |
最大工作溫度 |
60℃【兩相/t系列】或者100℃【三相/s或a系列】 |
| 9 |
功耗 |
2.5w~43.2w【兩相】;2.5w~86.4w【三相】 |
| 10 |
額定電壓 |
12vdc或 24vdc |
| 11 |
使用電壓 |
5vdc ~ 12vdc 或5vdc ~ 24vdc |
| 12 |
最大負載電流 |
2.1a【兩相】or 3.8a【三相】 |
| 13 |
最大流量 |
17l/min【兩相】; 20l/min【三相】 |
| 14 |
最大靜態揚程 |
8m【兩相】;15m【三相】 |
| 15 |
噪音 |
<40db |
| 16 |
防水等級 |
ip68(可潛水安裝) |
| 17 |
壽命 |
大于30000小時 |
| 18 |
供電方式 |
太陽能板,蓄電池,適配器,電源模塊 |
| 19 |
保護功能 |
可選配缺水保護、空轉保護、堵轉保護、卡死保護 |
| 20 |
調速功能(調功率) |
可選配pwm調速,0~5v模擬信號調速,電位器調速 |
|
特點
無需保養,體積小效率高,功耗低,抗干擾能力強,運行平穩。
無碳刷,無污染,電子換向,壽命長。
減震硅膠,吸收震動,降低噪音,硅膠位置可調節,方便安裝。
電機的定子和電路板部分采用環氧樹脂灌封并與轉子完全隔離,解決了電機式直流水泵長期潛水產生的滲漏問題,完全防水。
解決了水泵在復雜環境中出現的卡死、水泵突然不啟動等一系列問題。
水泵可選配缺水保護、空轉保護、堵轉保護、卡死保護等功能。
水泵軸心采用高性能陶瓷(降低成本可選不銹鋼軸),精度高,耐磨性好,由于采用高精密軸套與陶瓷軸的精密配合。
可根據要求調制水泵參數,24v水泵可調制2米揚程,也可7米揚程,體積不變,可寬電壓運行。
解決了水泵驅動的死亡率問題,目前市面上的水泵死亡率大概在2%~3%左右。經過長時間科研研究將水泵的死亡率降低到了萬分之五以內。
水泵系列中的三相無霍爾傳感器程序驅動直流水泵可以實現pwm調速,模擬信號(0~5v)調速,電位器vr手動調速,可以隨意改變流量及揚程。
水泵中的三相直流水泵為軟啟動,無沖擊,啟動功耗小,可直連太陽板,電路板與泵體完全分離,泵體內無任何電子元器件,泵體采用耐高溫材料,水泵可以長期在100度水溫中使用。具有葉輪轉子卡死保護,反接保護,過載保護,過流保護。
如需加大水泵揚程還可將水泵串聯,則揚程可加倍。
水陸兩用(外用時安裝位置低于液面)。
可根據用戶要求定制設計水泵及其相關控制系統。

參數表 (僅供參考,水泵24v揚程調制范圍5-15m,12v揚程,范圍4-8m)
| 型號 |
電壓 |
最大負載電流 |
最大揚程 |
最大流量 |
功耗 |
| v (dc) |
a |
m |
l/h |
w |
| dc50e-1250t |
12 |
1.9 |
5.00 |
820 |
22.8 |
| dc50e-1250s |
| dc50e-1250a |
| dc50e-1280s |
12 |
3.6 |
8.00 |
1000 |
43.2 |
| dc50e-1280a |
| dc50e-2480t |
24 |
1.8 |
8.00 |
1000 |
43.2 |
| dc50e-2480s |
| dc50e-2480a |
| dc50e-24150s |
24 |
3.6 |
15.00 |
1200 |
86.4 |
| dc50e-24150a |
| 選型注意事項 |
Ø 選型時務必給出使用環境:例如連續工作時間、水溫、介質等,水泵功率超過一定的功率就不適合長期在60度或者100度以上水溫連續工作,務必與技術員溝通以便選擇最合適的水泵!
Ø 上述電流為水泵的開口電流即當水泵直接放入水中不接任何系統時的電流,也為水泵最大電流,當水泵接上系統之后水泵的工作電流會降低到最大負載電流的70%-85%。
Ø 水泵的揚程為最大送水高度,即到達最大揚程點的流量為零。
Ø 水泵的流量為水平流量,即水平抽水的流量。 |
|
兩相直流水泵與三相直流水泵(無傳感器智能)的區別
| 兩相(t 系列) |
傳感器驅動,電路板必須內置,無法通過智能方式調速
|
| 三相(s/a系列) |
直流三相與交流三相完全不同,直流三相指的是無傳感器驅動,其供電方式與單相和兩相水泵一樣只有正負極兩根線。
智能程序驅動,無傳感器,電路板可外置(外置之后泵體可以耐高溫)。
可調速(pwm 、0~5v模擬信號、電位器調速)【選配】
堵轉及反接保護,過壓過流保護,過溫保護
軟啟動,啟動電流低,無沖擊,特別適用于太陽能板直接供電
|

三相直流水泵接線圖解
s系列 a系列
電位器調速接線方法:(非調速水泵沒有引出調速信號線)
調速接口中的紅線為正5v,黃色線為調速信號線,黑線為地線,紅色和黑色線分別接電位器的兩端,黃線接電位器的中間,這樣旋動電位器可使黃線的電壓在0-5v之間滑動,從而采用電位器實現了0 -5v 之間的調速。切勿將紅線和黑線碰到一起,這樣容易導致電路板燒壞,電位器調速和vr(0-5v)調速是一樣的,如果采用vr調速則只需要將電位器取下,按照vr調速方法接線即可。
pwm或者模擬信號vr(0-5v)調速的接線方法:
pwm(50-800hz信號幅值為5v)或者模擬信號(0-5v)調速只需要將調速接口中的黃色線接到外界控制系統的調速信號發生端口(pwm或者0-5v),黑線接到系統地線,紅線懸空即可。
流量-揚程曲線圖
尺寸圖
應用范圍
電動汽車散熱系統,自動化設備水循環,水制冷等電器,飲水機,衛浴產品,碎紙機,無土栽培,水暖床墊,空調抽水,水族魚缸,桌面工藝品,足浴盆,水暖床墊,熱水器,電腦水冷,水冷風扇,【敏感詞】國人都懂的療器械,制藥系統,化工,循環系統,冷卻散熱系統,制冷系統,水冷空調,水冷風扇,移動洗澡機,太陽能噴泉,太陽能循環系統,家庭增壓系統,別墅供水系統,小型灌溉系統, 水處理系統,小型供水系統,汽車循環系統,汽車加熱系統,機床,家用電器,廚房電器,衛浴產品, 熱水循環系統
選型指南
| 型號 |
電壓(dc) |
電流范圍 |
最大揚程 |
最大流量 |
進水口徑 |
出水口徑 |
調速 |
空轉/卡死保護 |
| dc30a |
5~12v |
0.1~0.35a |
3m |
4l/min |
8mm |
8mm |
定做 |
選配 |
| dc40 |
6~24v |
0.15~1.2a |
8m |
11l/min |
14mm |
10mm |
pwm/0~5v/手動 |
選配 |
| dc40a |
6~24v |
0.15~1.2a |
6m |
14l/min |
14mm |
14mm |
pwm/0~5v/手動 |
選配 |
| dc40c |
6~24v |
0.15~1.2a |
6m |
15l/min |
4分螺紋 |
4分螺紋 |
pwm/0~5v/手動 |
選配 |
| dc40f |
6~24v |
0.15~1.2a |
6m |
16l/min |
4分螺紋 |
4分螺紋 |
pwm/0~5v/手動 |
選配 |
| dc40h |
6~24v |
0.15~1.2a |
11m |
7.5l/min |
11mm |
8mm |
pwm/0~5v/手動 |
選配 |
| dc50 |
6~24v |
0.15~3.8a |
7m |
44l/min |
22mm |
22mm |
pwm/0~5v/手動 |
選配 |
| dc50a |
6~24v |
0.15~3.8a |
5m |
60l/min |
27mm |
27mm |
pwm/0~5v/手動 |
選配 |
| dc50b |
6~24v |
0.15~3.8a |
13m |
30l/min |
22mm |
22mm |
pwm/0~5v/手動 |
選配 |
| dc50c |
6~24v |
0.15~3.8a |
6.5m |
42l/min |
4分螺紋 |
4分螺紋 |
pwm/0~5v/手動 |
選配 |
| dc50d |
6~24v |
0.15~3.8a |
6.5m |
42l/min |
20mm |
20mm |
pwm/0~5v/手動 |
選配 |
| dc50e |
6~24v |
0.15~3.8a |
15m |
25l/min |
4分螺紋 |
4分螺紋 |
pwm/0~5v/手動 |
選配 |
| dc50f |
6~24v |
0.15~3.8a |
15m |
25l/min |
4分螺紋 |
4分螺紋 |
pwm/0~5v/手動 |
選配 |
| dc50g |
6~24v |
0.15~3.8a |
8m |
45l/min |
14mm |
8mm |
pwm/0~5v/手動 |
選配 |
| dc50k |
6~24v |
0.15~3.8a |
15m |
25l/min |
14mm |
14mm |
pwm/0~5v/手動 |
選配 |
| dc50w |
24v |
1~3.8a |
造浪 |
28000l/h |
潛水 |
58mm |
變頻調速控制 |
選配 |
| dc50q |
24v |
1~3.8a |
5m |
5000 l/h |
1寸螺紋 |
1寸螺紋 |
變頻調速控制 |
選配 |
| dc60q |
24v |
1~5a |
5m |
10000l/h |
1寸螺紋 |
1寸螺紋 |
變頻調速控制 |
選配 |
備注:
1、揚程流量范圍內的都可以定制。
2、進出水口尺寸,連接方式可開模定制。
3、調速方式可以定制,可定制控制系統,也可根據系統定制水泵。
4、工作溫度常規60度以內,可以定做100度的,詳情請查看相關系列具體信息。
5、可定做食品級水泵。
6、可定做靜音水泵。 |