手機號
未認證執照
梁燕斌(女士)

普通會員
梁燕斌 (女士)
sbd1130免維護節能防爆泛光燈廠家直銷電話13588990769
一.產品特色
1. 燈具防爆型式為隔爆型或粉 塵防爆型,適用于爆炸危險場所照明使用。
2. 燈具外殼壓鑄成型,造型新穎、外形美觀大方。
3. 鑄件材料采用抗拉強度高的鋁合金材料,含銅量低(小于0.4%),且燈具表面聚酯噴涂,具有良好的耐腐性能。
4. 燈具為兩腔設計,光源腔與電器腔獨立分開。燈具外形分平臺式(d型)與管吊式(a型),平臺式適用于吸壁式安 裝、護欄立桿式安 裝、法蘭立桿式安 裝。管吊式適用于管吊式安 裝、吸頂安 裝和吸壁安 裝。(見安 裝示意圖)。
5. 電纜進線采用內壓式密封結構,避免安 裝時電線的纏繞。內部結合面均設有橡膠密封圈使燈具具有較好的防水性能。
6. 燈具采用棱晶鋼化玻璃罩,抗沖擊性強,透光率高。
7. 本燈具適用電磁感應燈光源。具有光源超長使用壽命,發光效率高,光線柔和等優點。
二. 電磁感應燈特點
1. 電磁感應燈無電極和燈絲,具有超長壽命,長年使用免維護,壽命是白熾燈的70倍,金屬鹵化物燈5~6倍。
2. 高效節能,有效發光效率約139 plm/w,功率因素 高達0.99,比白熾燈節電80%。
3. 穩定性好,在電壓波動180~250v范圍內仍可正常啟動穩定工作。
4. 綠色環保,通過國家emc檢驗,無電磁污染、無頻閃使眼睛不易疲勞。
5. 瞬時啟動,啟動和再啟動時無須延時,可瞬時點亮。
6. 光源顯色性好,顯色指數≥80
三. 適用范圍
適用于iia、iib類含有爆炸性氣體環境,溫度組別為t1~t6或t1~t5的1區和2區室內外危險場所或20區、21區、22區爆炸性或可燃性粉 塵場所室內外的照明。
四. 燈具型號及含義
說明:用戶訂貨時如無特別說明,選用雙頭路燈架時每一個路燈架按兩只燈具配置。用戶如單選燈具相關選項為空。
選型舉例:例如sbd1130-yql200表示免維護系類防爆泛光燈具,電磁感應燈光源,吸壁式安 裝,功率200w
規格型號
額定功率(w)
工作電流(a)
光源光通量(lm)
燈具重量(kg)
建議安 裝高度
(m)
sbd1130-yql150
150
0.69
12700
13.3
8~12
sbd1130-yql200
200
0.92
18000
13.3
10~15
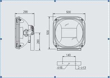
> 六. 燈具外形及尺寸
七.安 裝型式(示意圖):

| 聯系人 | 需求數量 | 時間 | 描述 |
|---|---|---|---|
| 暫無產品詢價記錄 | |||
| 采購商 | 成交單價(元) | 數量 | 成交時間 |
|---|---|---|---|
| 暫無購買記錄 | |||
地區:三明
主營產品:木荷苗,楓香苗,油茶苗地區:成都
主營產品:電磁閥,氣缸,過濾器地區:武漢
主營產品:洪山公司注冊,洪山注冊公司,洪山代理記賬地區:武漢
主營產品:東西湖公司注冊,東西湖代理記賬,東西湖代賬公司