手機號
未認證執照
黎美玲(女士)

普通會員
黎美玲 (女士)
東莞思泉自動化科技有限公司供smc吸盤、妙德真空吸盤、本身有多層皺褶,具有一定的緩沖量,可用于吸附表面不平整的工件吸盤直徑有10mm-90mm可選。
定義:真空吸盤簡稱吸盤,是一種帶密封唇邊的,在與被吸物體接觸后形成一個臨時性的密封空間,通過抽走或者稀薄密封空間里面的空氣,產生內外壓力差而進行工作的一種氣動執行元件。
分類:可分為扁平吸盤,橢圓吸盤,波紋吸盤和特殊形狀吸盤,其中波紋吸盤又進一步細分為雙層真空吸盤,三層真空吸盤和多層真空吸盤。按稀薄密閉空間的方式分類又可分為氣動真空吸盤和手動真空吸盤。
原理:真空吸盤的工作原理由于真空吸盤的特殊結構,在與物體接觸后會形成一個臨時性的密閉空間。我們通過氣動管路或者一定的裝置,抽走或者稀薄密閉空間里面的空氣。這樣,密閉空間里面的氣壓就低于外界的一個大氣壓了。于是,內外壓力差產生了。外面的大氣壓會把物體和真空吸盤牢牢地擠壓在一起。這樣,我們就看到真空吸盤吸住了物體
東莞思泉公司銷售的真空元件品牌有:臺灣妙德、smc、pisco三大品牌,產品有:真空吸盤,真空發生器,真空泵,真空氣缸等。各系列型號價格優,貨期快,品質保證,真空元件廣泛應用各個行業:如在建筑、包裝設備,造紙工業及印刷、玻璃等行業,實現吸持與搬送玻璃、紙張、紙箱等薄而輕的物品的任務,本司承諾各品牌原裝進口,為各位廠商提供優質高性價比的國內外知名產品,并提供領先的技術支持,歡迎新老顧客來電咨詢!
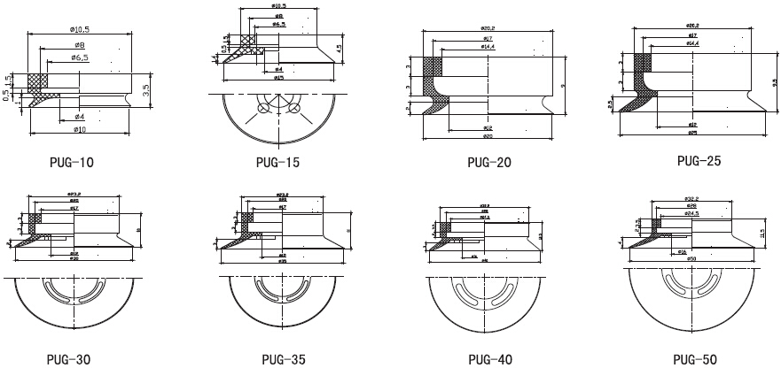
pug搖擺旋轉吸盤特性:
1.搖擺型吸盤,具備平行萬向功能,適合吸表面不水平的工件
2.吸盤尺寸有10mm-200mm多種可選
3.吸盤材質有:丁氰 橡膠,硅膠,導電硅膠等
pug搖擺旋轉吸盤訂購圖:

pug搖擺旋轉吸盤外形尺寸圖:



| 聯系人 | 需求數量 | 時間 | 描述 |
|---|---|---|---|
| 暫無產品詢價記錄 | |||
| 采購商 | 成交單價(元) | 數量 | 成交時間 |
|---|---|---|---|
| 暫無購買記錄 | |||
地區:滄州
主營產品:機床維修,鑄件,工量具地區:三明
主營產品:木荷苗,楓香苗,油茶苗地區:成都
主營產品:電磁閥,氣缸,過濾器地區:武漢
主營產品:洪山公司注冊,洪山注冊公司,洪山代理記賬