手機號
未認證執照
黎美玲(女士)

普通會員
黎美玲 (女士)
真空發生器原理:通過壓縮空氣到噴嘴,形成高速射流,帶走管內空氣,形成負壓(也就是真空)
真空吸盤的原理是:壓縮空氣經過縮短的噴嘴后,從噴嘴噴射出的高速氣流卷吸周圍的停止流體和它一同向前活動,從而在承受室構成負壓,誘導二次真空。這樣的真空體系,特別關于不需要大流量真空的工況條件更顯出它的優越性。
真空吸盤吸力計算:半徑的平方
真空發生器吸力:噴嘴口徑大小不一樣,它的流量大小也不一樣,吸盤也會不一樣,真空度是一樣的
真空吸盤配套真空發生器選型方案:
吸盤直徑10-80mm選cv-10hs真空發生器
吸盤直徑80-150mm選cv-15hs真空發生器
吸盤直徑150mm以上選cv-20hs、cv-25hs、cv-30hs真空發生器
東莞思泉公司銷售的真空元件品牌有:臺灣妙德、smc、pisco三大品牌,產品有:真空吸盤,真空發生器,真空泵,真空氣缸等。各系列型號價格優,貨期快,品質保證,真空元件廣泛應用各個行業:如在建筑、包裝設備,造紙工業及印刷、玻璃等行業,實現吸持與搬送玻璃、紙張、紙箱等薄而輕的物品的任務,本司承諾各品牌原裝進口,為各位廠商提供優質高性價比的國內外知名產品,并提供領先的技術支持,歡迎新老顧客來電咨詢!
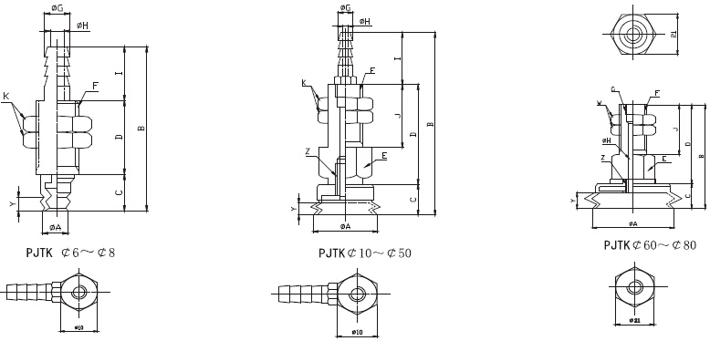
pjtk/pjyk帶金屬支架雙層吸盤特性:
1.吸盤直徑有4mm-80mm可選
2.吸盤材質有:丁氰 橡膠,硅膠,導電硅膠等
3.真空接氣管方向有橫向縱向兩種可選
4.唇部薄,與物件的密封性好,適用于有傾斜物件和小直徑的紙張、塑料膜等。
pjtk/pjyk帶金屬支架雙層吸盤訂購圖:
pjtk/pjyk帶金屬支架雙層吸盤外形尺寸圖:
pjtk/pjyk帶金屬支架雙層吸盤規格圖表:

| 聯系人 | 需求數量 | 時間 | 描述 |
|---|---|---|---|
| 暫無產品詢價記錄 | |||
| 采購商 | 成交單價(元) | 數量 | 成交時間 |
|---|---|---|---|
| 暫無購買記錄 | |||
地區:三明
主營產品:木荷苗,楓香苗,油茶苗地區:成都
主營產品:電磁閥,氣缸,過濾器地區:武漢
主營產品:洪山公司注冊,洪山注冊公司,洪山代理記賬地區:武漢
主營產品:東西湖公司注冊,東西湖代理記賬,東西湖代賬公司