手機號
未認證執照
黎美玲(女士)

普通會員
黎美玲 (女士)
真空發生器原理:通過壓縮空氣到噴嘴,形成高速射流,帶走管內空氣,形成負壓(也就是真空)
真空吸盤的原理是:壓縮空氣經過縮短的噴嘴后,從噴嘴噴射出的高速氣流卷吸周圍的停止流體和它一同向前活動,從而在承受室構成負壓,誘導二次真空。這樣的真空體系,特別關于不需要大流量真空的工況條件更顯出它的優越性。
真空吸盤吸力計算:半徑的平方
真空發生器吸力:噴嘴口徑大小不一樣,它的流量大小也不一樣,吸盤也會不一樣,真空度是一樣的
真空吸盤配套真空發生器選型方案:
吸盤直徑10-80mm選cv-10hs真空發生器
吸盤直徑80-150mm選cv-15hs真空發生器
吸盤直徑150mm以上選cv-20hs、cv-25hs、cv-30hs真空發生器
pfys橫向接管附緩沖標準吸盤特性:
1、標準橫向附縱行吸盤組.
2、使用范圍廣泛,性能穩定.
3、標準平型吸盤。適用于鋼板、板材、紙箱等表面平整的吸附物
pfys橫向接管附緩沖標準吸盤訂購圖:

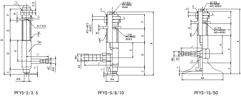
fys橫向接管附緩沖標準吸盤外形尺寸圖:

pfys橫向接管附緩沖標準吸盤規格尺寸圖表:




| 聯系人 | 需求數量 | 時間 | 描述 |
|---|---|---|---|
| 暫無產品詢價記錄 | |||
| 采購商 | 成交單價(元) | 數量 | 成交時間 |
|---|---|---|---|
| 暫無購買記錄 | |||
地區:滄州
主營產品:機床維修,鑄件,工量具地區:三明
主營產品:木荷苗,楓香苗,油茶苗地區:成都
主營產品:電磁閥,氣缸,過濾器地區:武漢
主營產品:洪山公司注冊,洪山注冊公司,洪山代理記賬