手機號
未認證執照
黎美玲(女士)

普通會員
黎美玲 (女士)
東莞思泉公司銷售的真空元件品牌有:臺灣妙德、smc、pisco三大品牌,產品有:真空吸盤,真空發生器,真空泵,真空氣缸等。各系列型號價格優,貨期快,品質保證,真空元件廣泛應用各個行業:如在建筑、包裝設備,造紙工業及印刷、玻璃等行業,實現吸持與搬送玻璃、紙張、紙箱等薄而輕的物品的任務,本司承諾各品牌原裝進口,為各位廠商提供優質高性價比的國內外知名產品,并提供領先的技術支持,歡迎新老顧客來電咨詢!
pftkm/pfykm帶金屬支架及快速接管吸盤特性:
1、標準吸盤固定金屬基座,快速接管型.
2、吸附能力強。
3、標準橫向附縱行吸盤組.
4、使用范圍廣泛,性能穩定.
5、適用于鋼板、板材等表面平整的吸附物
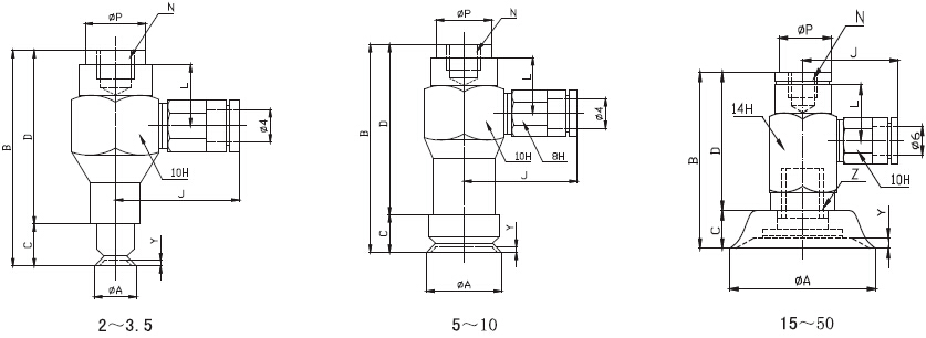
pftkm/pfykm帶金屬支架及快速接管吸盤訂購圖:
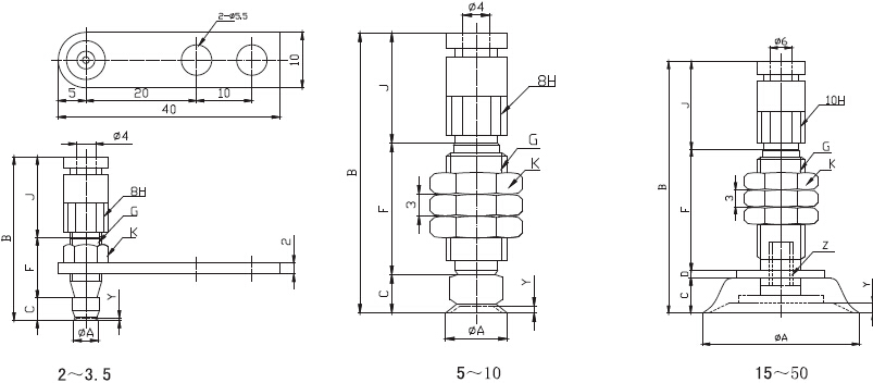
pftkm/pfykm帶金屬支架及快速接管吸盤外形尺寸圖:





| 聯系人 | 需求數量 | 時間 | 描述 |
|---|---|---|---|
| 暫無產品詢價記錄 | |||
| 采購商 | 成交單價(元) | 數量 | 成交時間 |
|---|---|---|---|
| 暫無購買記錄 | |||
地區:武漢
主營產品:武昌公司注冊,武昌注冊公司,武昌代理記賬地區:成都
主營產品:電磁閥,氣缸,過濾器地區:武漢
主營產品:洪山公司注冊,洪山注冊公司,洪山代理記賬地區:武漢
主營產品:東西湖公司注冊,東西湖代理記賬,東西湖代賬公司