手機號
未認證執照
黃小姐(女士)

普通會員
黃小姐 (女士)
供應實驗室儀器設備電磁鐵|檢測設備電磁鐵|電磁鐵廠家
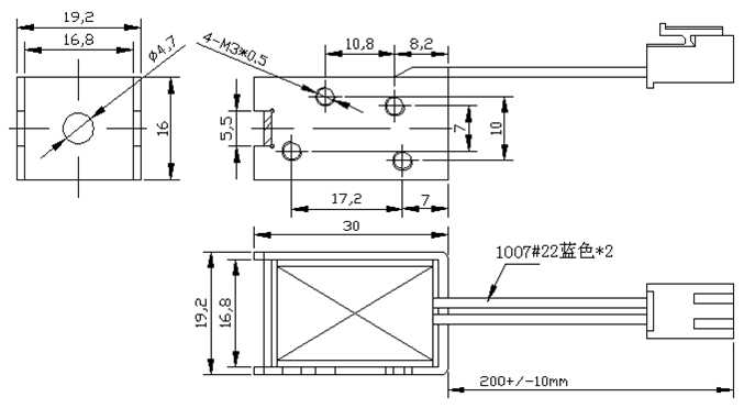
1.名稱型號(p/n): 電磁吸鐵 bs-0730-01
2.標準測試條件(test):
2.1 環境溫度(temperature range): -5℃-45℃
2.2 相對濕度(relative humidity): 20%-85%
2.3 額定電壓(rated voltage): dc24v
2.4 適用情況(sphere of application): 間歇型
3.外觀(facies)
3. 1 外觀(facies): 沒有損傷、破裂、生銹 、表面污點
3.2 外型尺寸(n. surface size) 見附圖
4.電氣特性(electrical)
4.1 使用電壓(working voltage): dc24v±10%
4.2 電流(current): 3a (ref)
4.3 電阻(resistance ): at20℃ 7.8ω±10%
4.4 力量(potence): 輸入dc24v,行程5mm時,力量在1kg最小。
4.5 絕緣電阻(insulation resistance): 100mω min, dc500v
4.6 耐電壓(high voltage ): 1秒dc700v.
4.7 絕緣等級(insulaiton level): class b級
4.8 壽命(biometry ): 正常使用狀態下 500,000次以上.
4.9 最高溫升(maximum temperature rise): 正常使用下,線圈上升溫度85℃以下
5.0 工作周期(duty=5% power on 1s power off 19s)
以上參數只作為基本要求,如沒有尋找到您需要的產品,歡迎來圖、來樣或來電咨詢。我們將為您量身定制您需要的電磁鐵。
實驗室儀器設備電磁鐵 檢測設備電磁鐵 電磁鐵廠家
博順實業17年風雨走來,產品規格齊全,品質優良;價格合理;已成功進入多種領域,按摩椅設備;【敏感詞】國人都懂的療設備;汽車制造業;紡織機械;atm機;自動售貨機;咖啡機;等等;客戶分布遍布全國及歐美東南亞等國家。
博順實業本著做:“世界一流企業優秀供應商”的愿景,愿與您真誠合作,共同開拓美好未來!



| 聯系人 | 需求數量 | 時間 | 描述 |
|---|---|---|---|
| 暫無產品詢價記錄 | |||
| 采購商 | 成交單價(元) | 數量 | 成交時間 |
|---|---|---|---|
| 暫無購買記錄 | |||
地區:滄州
主營產品:機床維修,鑄件,工量具地區:汕頭
主營產品:物流公司,貨運站,國內陸運地區:武漢
主營產品:武昌公司注冊,武昌注冊公司,武昌代理記賬地區:北京
主營產品:低壓聚乙烯,高壓聚乙烯,聚丙烯