手機號
未認證執照
畢小姐(女士)

普通會員
畢小姐 (女士)
ec210917-9c841e七鍵遙控定時蠟燭燈芯片
一. 功能說明
供電方式:dc3v(aa*2)一路紅外遙控輸入控制,一路led輸出。上電工作,蠟燭燈閃法:柔和閃 。有晶振檢測:無晶振或晶振工作不正常時,定時按鍵模式led無輸出。
上電工作,蠟燭燈閃法:柔和閃 。
遙控功能介紹
off鍵:關閉led和定時。
on鍵:開啟led和取消定時。
on/off鍵:按一下開,再按關閉,循環。
4h鍵:4-20小時循環定時模式(提示閃2下再進入功能)。off狀態下按此鍵,直接開啟led并閃2下進入定時模式。
5h鍵:5-19小時循環定時模式(提示閃2下再進入功能)。off狀態下按此鍵,直接開啟led并閃2下進入定時模式。
6h鍵:6-18小時循環定時模式(提示閃2下再進入功能)。off狀態下按此鍵,直接開啟led并閃2下進入定時模式。
8h鍵:8-16小時循環定時模式(提示閃2下再進入功能)。off狀態下按此鍵,直接開啟led并閃2下進入定時模式。
按鍵對應編碼(客戶碼:00ff)
按鍵 編碼 按鍵 編碼
off 01 on 05
on/off 0d 4h 02
5h 06 6h 09
8h 0a
二. 電氣參數(vdd=5.0v ta=25℃)
參數 符號 最 小值 典型值 最 大 值 單位 條件
工作電壓 vdd 2.2 3.0 5.0 v finst=1mhz @ i_hrc/4
工作電流 iop 0.5 ma
靜態電流 istb 2 ua flosc=32khz @ i_lrc/4
驅動電流低電平輸出 iol 13 ma vol=1.0v
驅動電流高電平輸出 ioh -11 ma voh=2.0v
工作溫度 ta -10 25 85 ℃
儲存溫度 tstg -25 25 125 ℃
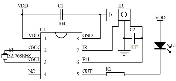
三. 封裝腳位圖(sop-8)
管腳號 符號 功能描述
1 vdd 電源正
2 osco 晶振
3 osci 晶振
4 nc 懸空
5 out led輸出,低電平有效
6 p11 紅外接收頭正極
7 ir 紅外接收信號輸入
8 gnd 電源負
四. 電路圖參考
五. 封裝尺寸圖(sop-8)
六. 版本說明
版本 日期 描述
ec210917-f1ae7a 2021/9/27 v01初版
ec210917-9c841e 2021/10/11 v02

| 聯系人 | 需求數量 | 時間 | 描述 |
|---|---|---|---|
| 暫無產品詢價記錄 | |||
| 采購商 | 成交單價(元) | 數量 | 成交時間 |
|---|---|---|---|
| 暫無購買記錄 | |||
地區:滄州
主營產品:機床維修,鑄件,工量具地區:汕頭
主營產品:物流公司,貨運站,國內陸運地區:武漢
主營產品:武昌公司注冊,武昌注冊公司,武昌代理記賬地區:北京
主營產品:低壓聚乙烯,高壓聚乙烯,聚丙烯