手機號
未認證執照
畢小姐(女士)

普通會員
畢小姐 (女士)
1489-ebd7長按1.5秒開關機芯片
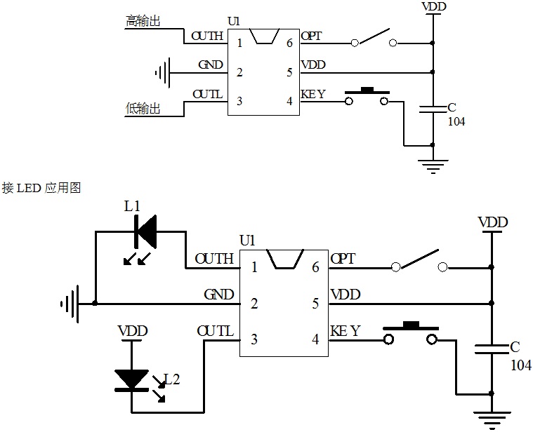
一. 功能說明
供電方式:dc3.7v充電鋰電池。兩路輸入控制,兩路輸出:1路高電平、1路低電平(2路同步輸出)。
上電不工作,長按key1按鍵1.5秒開機,outh輸出高電平、outl輸出低電平。再長按 1.5 秒關機,outh翻轉為低電平、outl翻轉為高電平。
opt:檢測到高電平輸入時,outh輸出高電平、outl輸出低電平,opt一直檢測到高,outh一直保持高電平輸出;outl一直保持低電平輸出,直到opt高信號消失。
注意:opt檢測到高電平時,key觸發開關無效。
二. 電氣參數 (vdd=3.0v ta=25℃)
參數 符號 小值 典型值 大 值 單位 條件
工作電壓 vdd 2.4 3.0 5.0 v
工作電流 iop 3 ma
靜態電流 istb 10 ua
驅動電流 iol 30 ma
工作溫度 ta -10 25 70 ℃
儲存溫度 tstg -20 25 100 ℃
三. 封裝腳位圖(sot23-6)
管腳號 符號 功能描述
1 outh 高電平輸出
2 gnd 電源負
3 outl 低電平輸出
4 key 觸發開關
5 vdd 電源正
6 opt 信號檢測
四. 電路圖參考
六. 版本說明
版本 日期 描述
1489-ebd7 2021/3/27 v01初版

| 聯系人 | 需求數量 | 時間 | 描述 |
|---|---|---|---|
| 暫無產品詢價記錄 | |||
| 采購商 | 成交單價(元) | 數量 | 成交時間 |
|---|---|---|---|
| 暫無購買記錄 | |||
地區:滄州
主營產品:機床維修,鑄件,工量具地區:武漢
主營產品:武昌公司注冊,武昌注冊公司,武昌代理記賬地區:成都
主營產品:電磁閥,氣缸,過濾器地區:武漢
主營產品:洪山公司注冊,洪山注冊公司,洪山代理記賬