手機號
未認證執照
何宇(先生)

普通會員
何宇 (先生)
概述:
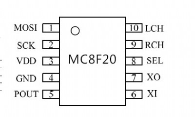
1、頻率范圍64-125mhz,覆蓋全球任何區域fm頻率。
2、高靈敏度、高穩定性,低噪、免調試,外接元件極少,使用極其簡單。
3、i2c總線接口通訊。
4、低電壓、低功耗,寬電壓使用范圍(2.5-3.6vdc)
4、無需另外再加pa電路,發射距離遠(開闊地段大于35m以上)
5、采用pll鎖相環穩頻技術,發射頻率穩定,抗干擾能力強。
產品應用:
fm收音模塊廣泛應用于消費類電子視聽產品、家用電器等。
例如:MP3,MP4,數碼相框,手持gps,md,pda,車載dvd,電子詞典,復讀機、便攜式vcd/dvd,無線音箱,液晶電視,車載顯示器等數碼產品。
綜合優勢:1、采用全電腦測試,質量保證。
2、強大的技術支持服務。(提供demo程序c代碼,方便移植應用到任何產品)
另外我公司提供fm收音模塊,收音ic方案,無線收發方案,協助客戶快速把附加功能商業化!

| 聯系人 | 需求數量 | 時間 | 描述 |
|---|---|---|---|
| 暫無產品詢價記錄 | |||
| 采購商 | 成交單價(元) | 數量 | 成交時間 |
|---|---|---|---|
| 暫無購買記錄 | |||
地區:滄州
主營產品:機床維修,鑄件,工量具地區:汕頭
主營產品:物流公司,貨運站,國內陸運地區:武漢
主營產品:武昌公司注冊,武昌注冊公司,武昌代理記賬地區:北京
主營產品:低壓聚乙烯,高壓聚乙烯,聚丙烯