手機號
未認證執照
丁麗(女士)

普通會員
丁麗 (女士)
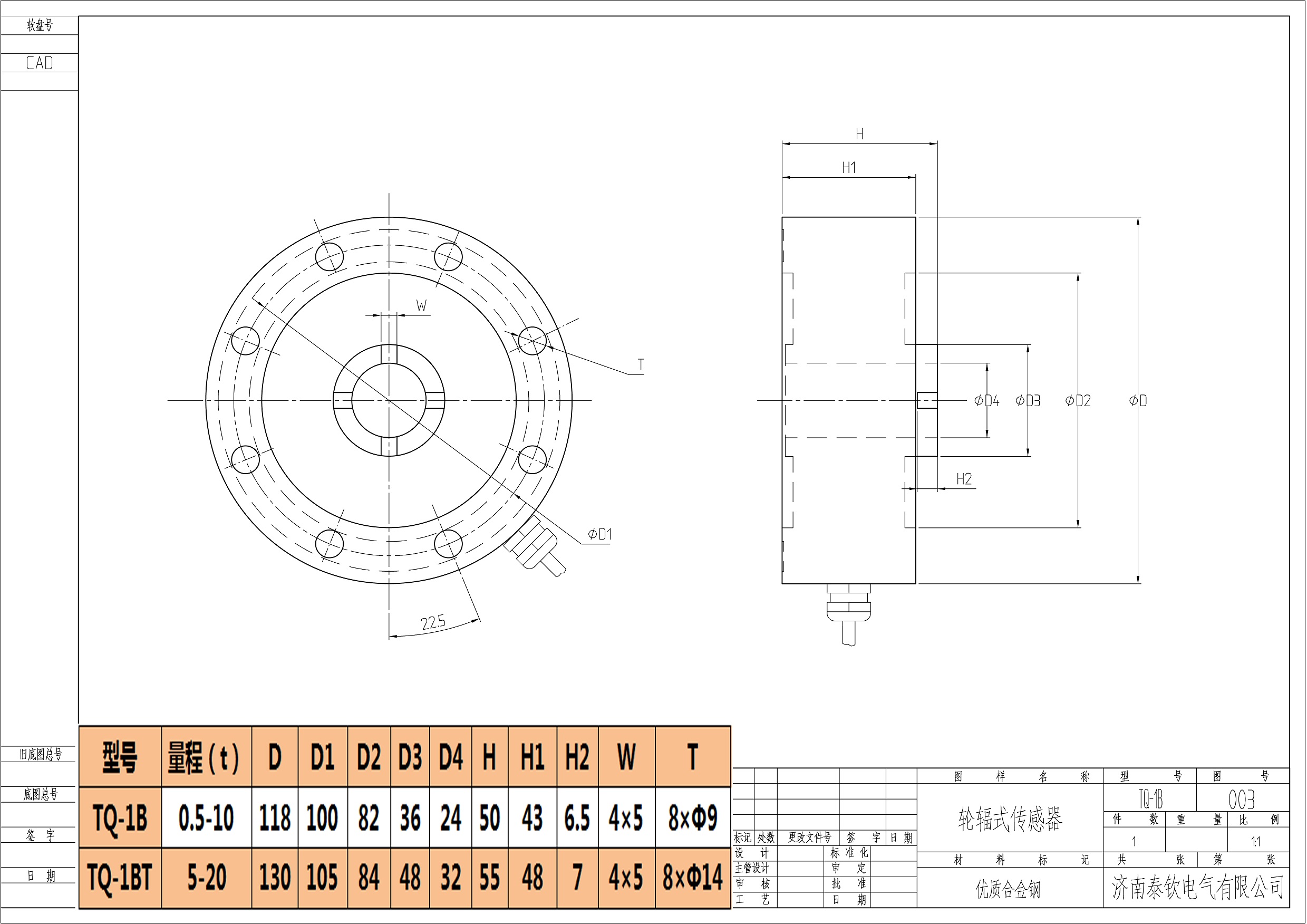
產品特點:tq-1b十字槽輪輻式稱重傳感器 具有高底低,鋼性好,精度高,抗偏裁能力強等特點。
產品用途:tq-1b十字槽輪輻式稱重傳感器適用于皮帶秤、料斗秤、倉儲秤、料罐、材料力學試驗機、勞保安 全檢測設備
量程:tq-1b:5kn(500kg)、10kn(1t)、20 kn(2t)、30 kn(3t)、50 kn(5t)、100 kn(10t)
tq-1bt: 50 kn(5t)、100 kn(10t)、150 kn(15t)、200 kn(20t)
技術參數及外形尺寸:序號產品技術參數1額定載荷5-20t2綜合精度≤0.03%f.s3靈敏度2.0mv/v4線性≤0.03%f.s5滯后≤0.05%f.s6蠕變≤0.05%f.s/30min7重復性≤0.02%f.s8零點輸出0.1%f.s9輸入阻抗387±20ω10輸出阻抗350±5ω11絕緣阻抗≥5000mω12輸出溫度影響<0.05%f.s/10℃13零點溫度影響<0.05%f.s/10℃14推薦激勵電壓10v(dc)15適用溫度范圍-10~70℃16安 全過載150%f.s17材質合金鋼18接線方式紅……e+(輸入正)
黑……e-(輸入負)
綠……s+(輸出正)
白……s-(輸出負)

| 聯系人 | 需求數量 | 時間 | 描述 |
|---|---|---|---|
| 暫無產品詢價記錄 | |||
| 采購商 | 成交單價(元) | 數量 | 成交時間 |
|---|---|---|---|
| 暫無購買記錄 | |||
地區:滄州
主營產品:機床維修,鑄件,工量具地區:三明
主營產品:木荷苗,楓香苗,油茶苗地區:成都
主營產品:電磁閥,氣缸,過濾器地區:武漢
主營產品:洪山公司注冊,洪山注冊公司,洪山代理記賬