手機號
未認證執照
丁麗(女士)

普通會員
丁麗 (女士)
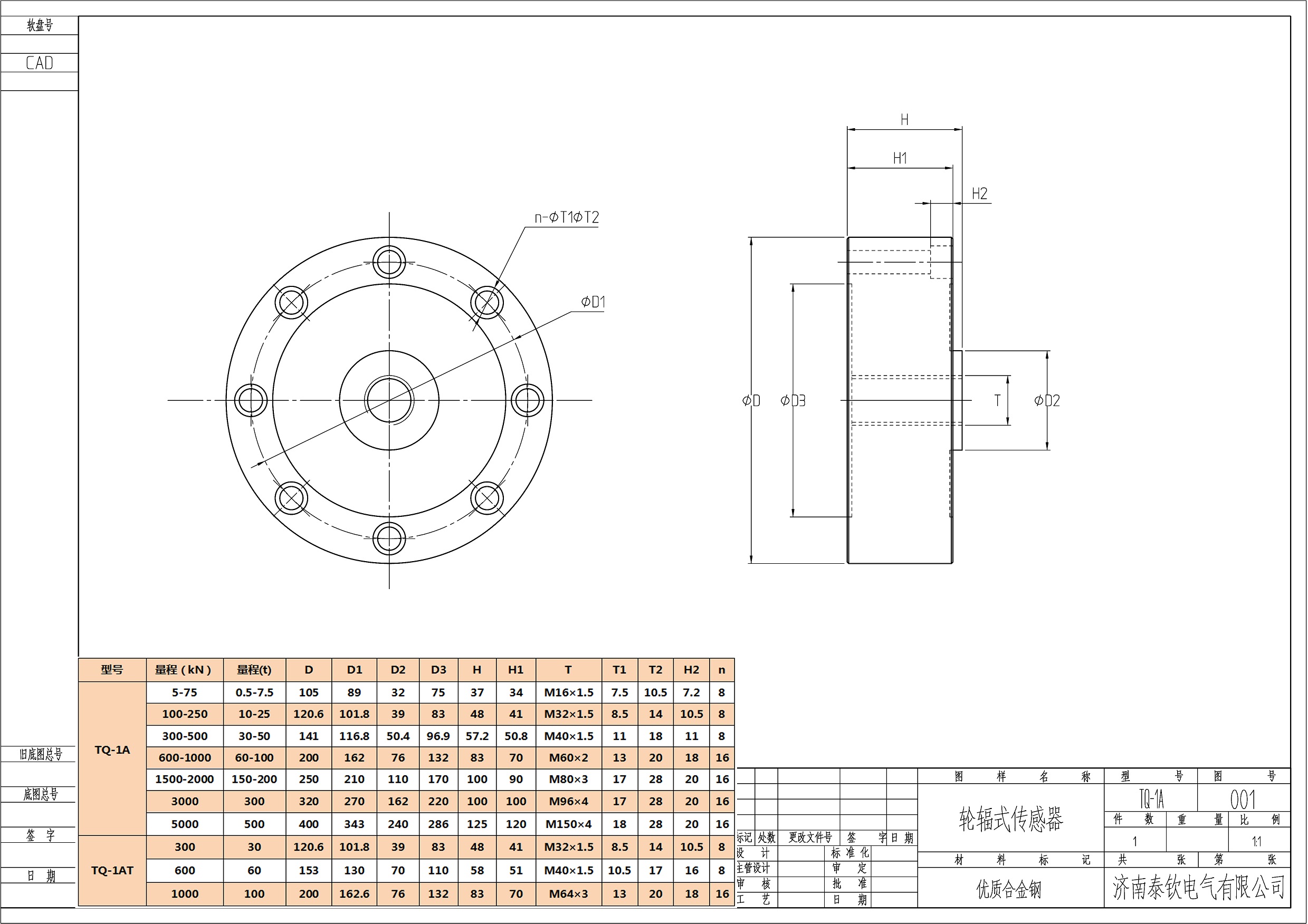
產品特點:tq-1a內螺紋輪輻式稱重傳感器采用優質合金鋼材質,表面鍍鎳防腐處理。具有高精度,高穩定性,低外形,安 裝簡便、快速等特點。
產品用途:tq-1a內螺紋輪輻式稱重傳感器適用于汽車衡、試驗機和大型料斗秤等。
量程:5kn(500kg)、10 kn(1t)、20 kn(2t)、30 kn(3t)、50 kn(5t)、100 kn(10t)、200 kn(20t)、250 kn(25t)、300 kn(30t)、500 kn(50t)、600kn(60t)、1000 kn(100t)、1500 kn(150t)、2000 kn(200t)、3000kn(300t)、5000kn(500t)
技術參數及外形尺寸:序號產品技術參數1額定載荷0.5-500t2綜合精度0.05%f.s3靈敏度2.0mv/v±0.25%4蠕變±0.03%f.s/20min5零點輸出0.1%f.s6輸入阻抗385±5ω/775±20ω7輸出阻抗350±3ω/700±5ω8絕緣阻抗≥5000mω9推薦激勵電壓10v(dc)10適用溫度范圍-30~70℃11安 全過載150%f.s12材質優質合金鋼13接線方式紅……e+(輸入正)
黑……e-(輸入負)
綠……s+(輸出正)
白……s-(輸出負)

| 聯系人 | 需求數量 | 時間 | 描述 |
|---|---|---|---|
| 暫無產品詢價記錄 | |||
| 采購商 | 成交單價(元) | 數量 | 成交時間 |
|---|---|---|---|
| 暫無購買記錄 | |||
地區:滄州
主營產品:機床維修,鑄件,工量具地區:三明
主營產品:木荷苗,楓香苗,油茶苗地區:成都
主營產品:電磁閥,氣缸,過濾器地區:武漢
主營產品:洪山公司注冊,洪山注冊公司,洪山代理記賬