瀏覽:481次[供應]供應集塵機用上海萬鑫HTB75-032透浦式中壓風機
-

-
- 上海優昂機電有限公司
- 信息編號:bh41119184104418
- 更新時間:2020/11/4 11:08:57
- 規格:萬鑫透浦式鼓風機
- 數量:2000木箱
- 價格:電議

-
全風鼓風機,高壓鼓風機,萬鑫鼓風機
價格說明:以上商品為參考價格,并非原價,該價格可能隨著您購買數量不同或所選規格不同而發生變化。由于萬通商務網不提供線上交易,最終成交價格,請咨詢賣家,以實際成交價格為準。
推廣
相關產品
第 13 年普通會員
-
0級
- 主營:
全風鼓風機,萬鑫鼓風機,萬鑫電機
- 會員類型:
- 認證信息:
工商執照未認證
- 聯系人:
- 咨詢商家:
- 聯系方式:
- 地址:
上海上海上海市松江區松江工業園
店內商品搜索
新上架產品
品牌詞
透浦式鼓風機htb75-032
|
|
| 型號:htb75-032 |
功率(kw):0.4 |
| 壓力(mmaq):210/260 |
流量(m3/min):6/7 |
| 額定電壓(v):220/380 |
| 額定電流(a):1.9/1.2 |
| 進出口風徑:75mm |
重量(kg):21 |
| 噪音值(db):53 |
|
|
|

 |
|
詳細參數:
型式
|
相數
|
功率
(kw)
|
電壓
(v)
|
電流
(a)
|
最大靜壓(吐出)
(mmaq)
|
最大風量(吐出)
(m3/min)
|
出口
口徑
(mm)
|
噪音
(db)
|
重量
(kg)
|
htb75-032
|
3
|
0.4
|
220
|
1.9
|
210/260
|
6/7
|
75mm
|
53/65
|
21
|
3
|
0.4
|
380
|
1.2
|
210/260
|
6/7
|
75mm
|
53/65
|
21
|
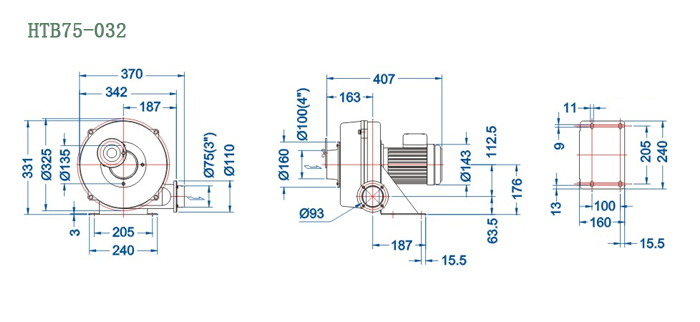
尺寸圖:
曲線圖:

|
透浦式鼓風機特點:
一. 高壓力,大風量,低噪音。
二. 采用鋁合金材質,大幅降低重量,達到輕量化的目的。
三. 全閉外扇型鋁框馬達,特殊軸心設計,可適合長時間使用。
四. 特殊葉片設計,壓力高,風量大,噪音低,壽命長。
五. 透浦式鼓風機風量控制穩定性高,操作容易。
六. 特殊風量調節風門,風量控制穩定性高,操作容易
七. 前頃式葉片設計,體積小、質量輕且較有高壓力之產生。
八. 新設計,能消除切風時產生之高頻及特殊之消音材質,大幅降低噪音比。
九. 透浦式鼓風機型號齊全,庫存多,交貨迅速。
透浦式鼓風機用途:
印刷機械、燃燒機、塑料押出機、吹袋機、淋膜機、制果機械、擠壓機、熱風發生機、粉粒體輸送、廚房機械、木工機械、干燥機、焚化爐、恒溫箱等一般送風。
|
相關配件 |
|
|
以上是上海優昂機電有限公司廠家直供供應集塵機用上海萬鑫HTB75-032透浦式中壓風機的詳細信息,如果您上海優昂機電有限公司廠家直供供應集塵機用上海萬鑫HTB75-032透浦式中壓風機的價格、廠家、型號、圖片有什么疑問, 請 聯系供應商 或 請供應商聯系我
關于供應商信息

優昂簡介
上海優昂機電有限公司總部位于上海金融大都市,專業銷售交直流減速電機、小型交流馬達、高精度減速器的合資企業,產品品種有:齒輪減速電機,鋁合金渦輪減速機,精密行星減速電機,三亞游星減速機,感應電機,可逆電機,剎車電機,調速電機,剎車調速電機,力矩電機、直流電機、無刷直流電機、小型電機和交直流速度控制器等。
公司嚴把質量關,認真貫徹落實ISO9000質量管理體系...
| 采購商 |
成交單價(元) |
數量 |
成交時間 |
| 暫無購買記錄 |
同行還在看
鄭重提示:您在萬通商務網上采購商品屬于商業貿易行為。以上所展示的信息由賣家自行提供,內容的真實性、準確性和合法性由發布商家負責,請意識到互聯網交易中的風險是客觀存在的。推薦使用擔保交易保障服務或使用第三方擔保交易比如支付寶!

點擊頭像與我聊天