手機號
未認證執照
黎美玲(女士)

普通會員
黎美玲 (女士)
東莞思泉公司銷售的真空元件品牌有:臺灣妙德、smc、pisco三大品牌,產品有:真空吸盤,真空發生器,真空泵,真空氣缸等。各系列型號價格優,貨期快,品質保證,真空元件廣泛應用各個行業:如在建筑、包裝設備,造紙工業及印刷、玻璃等行業,實現吸持與搬送玻璃、紙張、紙箱等薄而輕的物品的任務,本司承諾各品牌原裝進口,為各位廠商提供優質高性價比的國內外知名產品,并提供領先的技術支持,歡迎新老顧客來電咨詢!
pa系列薄型吸盤主要特點:
1、主要分為patk,payk,pats,pays4個系列
2、吸盤唇部厚度非常薄的吸盤(1mm以下)因吸盤底面平坦,不易起皺,適合紙張及塑膠袋等薄型工件。主要應用在薄膜狀等工件。。
3、唇部非常薄的吸盤。
4、吸盤面平整不起皺,適用于紙張和度塑料膜等厚度薄的物件。
pag系列薄型吸盤訂購圖:
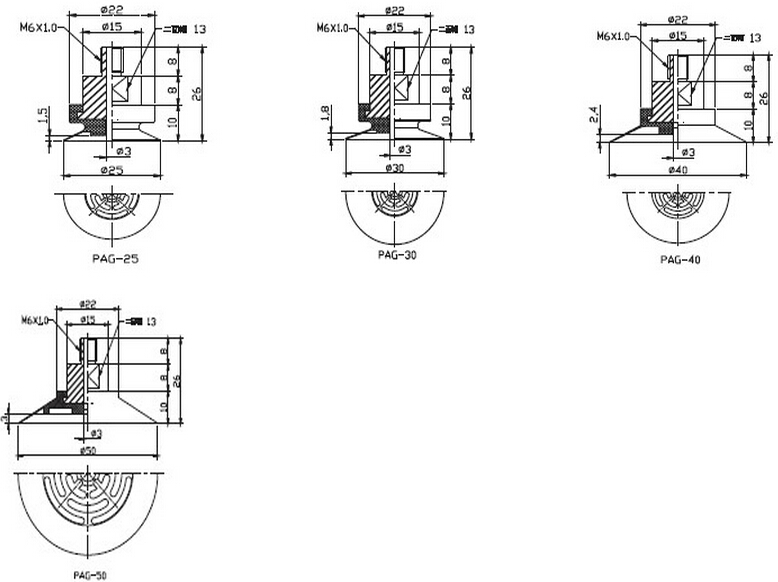
pag系列薄型吸盤外形尺寸圖:


| 聯系人 | 需求數量 | 時間 | 描述 |
|---|---|---|---|
| 暫無產品詢價記錄 | |||
| 采購商 | 成交單價(元) | 數量 | 成交時間 |
|---|---|---|---|
| 暫無購買記錄 | |||
地區:滄州
主營產品:機床維修,鑄件,工量具地區:三明
主營產品:木荷苗,楓香苗,油茶苗地區:成都
主營產品:電磁閥,氣缸,過濾器地區:武漢
主營產品:洪山公司注冊,洪山注冊公司,洪山代理記賬