手機號
未認證執照
焦軍中(先生)

普通會員
焦軍中 (先生)
| 規格:不限 | 數量:10臺 | ![]() |
| 產地:河南 | 產品編號:bh4012250856884 |
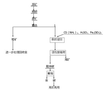
鞏義鉑思特高碳難選金礦選冶工藝,金精礦焙燒爐,選金濃縮機
在金選礦廠中,重選主要用于從礦石中選別粗粒和細粒單體金,含金硫化物,碲化物以及用其他方法不能充分回收的“包裹金”。除了金粒的大小,金粒的形狀和結構對重選效果也有影響。一 般等軸顆粒和均質顆粒比表面積較大的片狀或海綿狀顆粒容易選收。在浮選和氰 化前,采用重選處理可得到含金較為穩定的廢棄尾礦及高品位的金精礦。
在磨礦回路中常用跳汰機,搖床和水力捕集器等預先選出單體金,達到盡早回收的目的,這對提高近的回收率是很有益的。在浸出或浮選前,對0.2mm金粒,只能用重選選出,在生產中可以用跳汰機,搖床等重選設備進行選收(浸出前應選出+0.1mm金)。如南非一 個公司選場在第 一 段磨礦回路中安 裝搖床回收粗粒金。有的則將跳汰機精礦通過自動淘金盤選出金。我國的金選廠浮選前用跳汰機,搖床以及皮帶覆面溜槽等均受到較好的效果。
我國的離心跳汰機正處于試驗階段,但已取得一 定的進展,它有可能用于處理比常規重選設備更細的粒級及比重差較小的部分。設計的樣板離心選礦機為連續排出精礦和尾礦,但給料必須很小心的進行預先分級。間斷離心選礦機已在砂金選礦中用于細粒金的回收。
對于細粒金的回收,南非金選廠采用傾斜面淘汰盤,也用混汞 溜槽或鋪布溜槽。在現代化大型選廠中,不宜采用處理量小勞動強度大而且效率不高的設備。
河南鉑思特機械廠生產跳汰機,混汞 筒等金礦選礦設備以及金礦重選設備,并可免費為客戶進行小型選金試驗,歡迎廣大客戶到我廠參觀指導,選購設備!

| 企業類型 | 私營獨資企業 | 統一社會信用代碼 | 91410181587091676F |
|---|---|---|---|
| 營業期限 | 2011-12-12 至 無固定期限 | 法定代表人/負責人 | 焦軍厚 |
| 注冊資本 | 100萬 | 注冊地址 | 2011-12-12 至 無固定期限 |
| 組織代碼 | 58709167-6 | 登記機關 | 鞏義市市場監督管理局 |
| 經營范圍 | 生產:選礦設備;經銷:干燥劑、選礦設備。 | ||
| 聯系人 | 需求數量 | 時間 | 描述 |
|---|---|---|---|
| 暫無產品詢價記錄 | |||
| 采購商 | 成交單價(元) | 數量 | 成交時間 |
|---|---|---|---|
| 暫無購買記錄 | |||
地區:成都
主營產品:電磁閥,氣缸,過濾器地區:武漢
主營產品:武昌公司注冊,武昌注冊公司,武昌代理記賬地區:北京
主營產品:低壓聚乙烯,高壓聚乙烯,聚丙烯地區:武漢
主營產品:洪山公司注冊,洪山注冊公司,洪山代理記賬